峰值发射波长:950(nm) 950nm红外发射器系列专为对输出功率有高要求且需要精确光轴 / 机械轴对准的应用场景而设计。可提供定制封装解决方案及器件分选服务。
产品特点
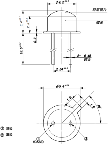
TO-46金属封装穹顶透镜
高输出功率
高可靠性
产品应用
光学开关/安保系统
线性/旋转编码器
遥控器/机器人技术
读卡器/医疗电子
技术规格
jue对Max. 额定值(Ta=25℃)
项目 | 符号 | 额定值 | 单位 |
正向电流 (直流) | IF | 100 | mA |
正向脉冲电流*1 | IFP | 1 | A |
反向电压 | VR | 5 | V |
功耗 | PD | 180 | mW |
工作温度范围 | Topr | -20 ~ +85 | ℃ |
存储温度范围 | Tstg | -30 ~ +100 | ℃ |
焊接温度*2 | TIs | 260 | ℃ |
*1:Tw=10µsec,T=10msec
*2:最长时间 5秒,测试位置:距离器件本体不超过 3mm
电气与光学特性(环境温度 Ta = 25℃)
项目 | 符号 | 测试条件 | Min. 值 | 典型值 | Max. 值 | 单位 |
光功率输出 | PO | IF=50mA | -- | 18 | -- | mW |
正向电压 | VF | IF=50mA | -- | 1.3 | 1.7 | V |
反向电流 | IR | VR=5V | -- | -- | 10 | μA |
峰值发射波长 | λp | IF=50mA | -- | 950 | -- | nm |
光谱半宽度 | Δλ | IF=50mA | -- | 50 | -- | nm |
半强度光束角 | Θ | IF=50mA | -- | ±15 | -- | deg |
封装尺寸及电光性能


| 名称 | 型号货号 | 描述 | 价格 |
|---|
