| 货号 | 操作 | 名称 | 描述 |
|---|
| 图片 | 名称 | 货号货期 | 描述 | 价格 |
|---|
SOA(半导体光放大器)是一种利用量子阱结构的PN结器件,外部正向偏压使粒子数反转,进而通过光信号引发受激辐射,实现光信号放大。SOA具有成本低、体积小、易于集成等优点。在新基建时代,它将在接入网、城域网边缘以及光纤传感领域获得广泛应用。
产品特点:
低功耗
大增益谱宽
工作状态锁定,上电自动恢复
保偏放大,输入输出线偏振光
应用领域:
航空航天设备
系统监控
传感系统
核心参数:
参数 | 单位 | 规格 |
工作波长 | nm | 1530~1557 |
输入光功率 | dBm | -15~10 |
模块Max. 输出功率*1 | dBm | 18~20 |
小信号增益Max. 值*2 | dB | ≥25 |
增益平坦度 | dB | ≤2.0 |
回波损耗 | dB | ≥40 |
噪声指数 | dB | ≤7.0 |
输入光消光比 | dB | ≥10 |
输出光消光比 | dB | ≥20 |
光功率/增益精度 | dB | ≤1.0 |
尾纤长度 | cm | 40~60 |
尾纤类型 | 保偏光纤 | |
连接头类型 | FC/APC | |
注: 1.本产品保证在5dBm输入光、800mA驱动电流下输出光大于18dBm。 2.在输入光信号小于-10dBm的情况下,驱动电流大于150mA情况下,本放大器的放大倍数可以超过25dB。 | ||
电学参数
参数 | 单位 | 规格 |
SOA工作电压 | V | ≤2.5 |
SOA工作电流 | mA | ≤800 |
阈值电流 | mA | 95 |
TEC工作电压 | V | ≤5.0 |
TEC工作电流 | A | ≤1.0 |
热敏电阻 | kΩ | 10 |
环境参数
参数 | 条件 |
工作环境温度 | -5℃~+55℃ |
工作环境湿度 | 5%RH~90%RH |
存储温度 | -40℃~+85℃ |
存储湿度 | 5%RH~95%RH |
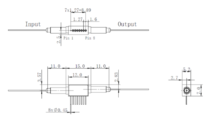
尺寸图:

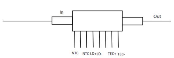
管脚定义:

管脚从左到右依次排序,第2、6根管脚悬空未用。
PIN 1:热敏电阻
PIN 3:热敏电阻
PIN 4:SOA正极
PIN 5:SOA负极
PIN 7:TEC正极
PIN 8:TEC负极
附件1:型号货号对照表
型号 | 货号 | 产品标题 | 工作波长 | 输入功率 | 输出功率 | 增益平坦度 | 噪声指数 | 回波损耗 |
SOA3057P | 1530~1557nm半导体光放大器SOA | 1530~1557nm | -15~10dBm | 18~20dBm | ≤2.0dB | ≤7.0dB | ≥40dB |
