×
复制成功
微信号:13061644116
添加微信好友,了解更多产品详情。
| 货号 | 操作 | 名称 | 描述 | 插入损耗 |
|---|
| 图片 | 名称 | 货号货期 | 描述 | 参数 | 价格 |
|---|
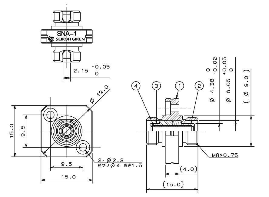
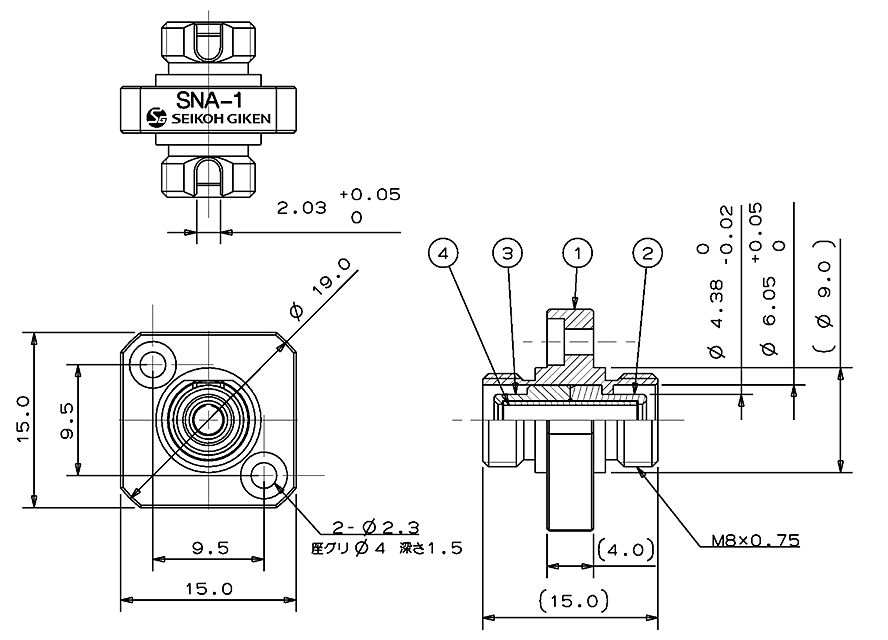
精工法兰以其独te加工精度保证了产品可以支持多次插拔且差损很低。我们有专门FC/APC以及FC/PC的接头做相应的优化。保证以Min. 的差损来连接光路,同时我们还针对光纤连接头的卡槽做了两种设计一种是窄带,一种是宽带。窄带可以保证保偏光纤对轴有更高的精度。
● 小型化结构设计
● 有宽Key窄key可以选择
● 日本精工全进口
● 连接器
● 法兰输出接口

参数 | 数值 |
测试波长(nm) | 1550 or1310 |
插入损耗 (dB) | ≤0.2 |
端口及工作方式 | FC/APC/单模 |
测试光源 | LD-PD台式光源 |
封装尺寸(mm) | 如下图 |
单模光纤连接器

保偏光纤连接器

