close[X]
您的购物车
型号 数量 货期
查看购物车 结算

AQA0600A 高相干单纵模连续波长扫描光源模块 1060nm 1250Hz 大于10mW  

AQA0600A 高相干单纵模连续波长扫描光源模块 1060nm 1250Hz 大于10mW
AQA0600A波长扫描光源输出单纵模激光,该激光连续波长相位扫描,无跳模。该模块化光源内置于 40 x 27 x 31.6 mm 金属封装中。其扫描频率为1.25KHz,是用于医学和化学领域测量应用的理想传感光源。该扫描光源输出1060nm的高相干连续光,具有紧凑的金属封装(40×27×31.6 mm)和低吸水性,非常适合用于医疗和化学OCT、生物成像设备以及薄膜测试仪。开发背景:使用激光干涉测量的OCT正在作为新的的光学测量技术,被应用于从生物材料的非接触截面测量,到眼科诊断中视网膜的医学观察等各个领域。为了拓展更多的应用,te别是医学和化学领域的应用,安立公司利用其不一样的MEMS技术开发了这款具有高扫描速度的光源,其具备高相干性以及低吸水率的1060 nm中心波长。


联系客服
 华北西南东北 Moli
13061644116 同微信 可扫码  info@microphotons.com
 西北华中华东华南 Daisy
18602170419 同微信 可扫码  info@microphotons.com
产品型号 1
货号 操作 名称
A80100058  AQA0600A 高相干波长扫描光源模块 1060nm 1250Hz 大于10mW   [PDF] 中心波长:1060±5nm;波长扫描范围:30nm;扫描频率:1250±50Hz;平均光输出:≥10mW;光纤连接器:FC/APC    价格 : 请联系客服 库存/货期:请咨询客服
总览

AQA0600A波长扫描光源输出单纵模激光,该激光连续波长相位扫描,无跳模。该模块化光源内置于 40 x 27 x 31.6 mm 金属封装中。

其扫描频率为1.25KHz,是用于医学和化学领域测量应用的理想传感光源。该扫描光源输出1060nm的高相干连续光,具有紧凑的金属封装(40×27×31.6 mm)和低吸水性,非常适合用于医疗和化学OCT、生物成像设备以及薄膜测试仪。

开发背景:使用激光干涉测量的OCT正在作为新的的光学测量技术,被应用于从生物材料的非接触截面测量,到眼科诊断中视网膜的医学观察等各个领域。
为了拓展更多的应用,te别是医学和化学领域的应用,安立公司利用其不一样的MEMS技术开发了这款具有高扫描速度的光源,其具备高相干性以及低吸水率的1060 nm中心波长。




产品特点

1060nm波段扫描激光器

单纵模调用,无跳模

小型、轻量化的组装

扫描频率:1250Hz,正弦

波长扫描范围:30nm

平均光输出:≥10mW


产品应用

用于内部结构测量的OCT(Optical Coherence Tomography)

医疗OCT、生物成像和膜厚测量

集成到光纤传感设备中

集成到生物成像设备中


通用参数

jue对Max. 额定值(Tm=25°C)

名称

符号

范围

单位

LD正向电流

IF

180

mA

LD反向电压

VR

2

V

MEMS驱动线圈应用

-

波长扫描宽度不应超过 32.5 nm

-

工作热敏电阻温度1)

Tth

+20到+30

储存温度2)

Tstg

-20到+60

*超过jue对Max. 额定值可能会导致设备故障。

1)相对湿度:≤85%,无冷凝

2)相对湿度:≤95%,无冷凝


光电特性

名称

符号

测试条件

范围

单位

光纤连接器

-

-

FC/APC

-

光纤长度

-

SMF

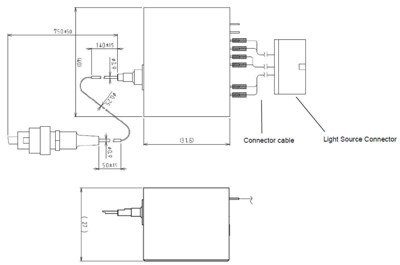
750±50

mm

振荡模式

-

-

单纵向和无模式跳跃

-

光输出波长 更改方法

-

-

正弦

-

中心波长

λc

在30nm扫描时

1060±5

nm

波长扫描范围

-

-

30

nm

扫描频率 3)

-

-

1250±50

Hz

平均光输出

Pf

-

≥10 4)

mW

光源连接器

-

-

HIROSE;DF1B-14DES-2.5RC

-

连接器电缆长度

-

-

60±10

mm

热敏电阻

Rth

Tth=25℃,B=3450K±2%

9.8≤Rth≤11.7

微机电线圈电阻器

-

-

7±2

Ω

尺寸 5)

-


40(W)x 27(H)x 31.6(D)

mm

重量

-

-

<200

g

 

3)扫描频率取决于波长扫描光源内置的MEMS器件的机械操作系统频率,用户无法调整。

请勿使用MEMS器件1250±50 Hz频率范围之外的驱动信号,否则可能会损坏。

4) AQA0600A(本产品)设计为客户电子产品使用的组件。因此,它被排除在 21 CFR 1040.10 合规性之外。

5)本产品在底面使用四个M2.5 螺栓安装。使用扭矩起子将这些螺栓拧紧至0.07 至 0.08 N. m。

 

光源连接器及引脚定义



搜狗截图20230922153133.jpg

引脚

功能

引脚

功能

1

NC

8

LD阴极

2

NC

9

热敏电阻

3

NC

10

热敏电阻

4

NC

11

NC

5

微机电线圈

12

NC

6

微机电线圈

13

NC

7

LD阳极

14

NC

 

尺寸   单位:mm

搜狗截图20230922153232.jpg












使用本网站,即表示您同意我们使用cookie.它可以帮助更好地提供会员服务以及短时间内记录您的浏览记录
已知晓 了解详情
提示