| 货号 | 操作 | 名称 | 描述 |
|---|
| 图片 | 名称 | 货号货期 | 描述 | 价格 |
|---|
产品描述:
90 度光学混频器集成接收器的功能框图和产品照片如下图 4.1 和图 4.2 所示。
90 度光学混频器已在前面的第 2 节中描述。客户在订购产品时可以选择单模光纤 (SMF) 和保偏光纤 (PMF)。

至于平衡接收器,带宽有 15MHz、100MHz、200MHz、350MHz、400MHz、700MHz、1.2GHz 至 1.6GHz 等不同版本。更高带宽版本(3GHz 和 7GHz)即将推出。详情请联系我们。
RF 输出有两种选择:DC 耦合或 AC 耦合 RF 输出供客户选择。
(注意:700MHz、1.2GHz 和 1.6GHz 仅提供 AC 耦合输出)
● 集成度高
● 低功耗
● 光学信号处理
Max. jue对额定值
编号 | 参数 | 符号 | 单位 | 条件 | 值 | 备注 | |
Min. 值 | Max. 值 | ||||||
1 | 输入光功率 | Pin_Max | mW | - | 20 | 请参阅下文中的注释 a | |
2 | 工作温度 | Tc | oC | -5 | +70 | ||
3 | 工作湿度 | - | %RH | Tc = +65oC, 无冷凝 | 5 | 85 | |
4 | 存储温度 | Tstg | oC | -40 | +85 | ||
5 | 存储湿度 | - | %RH | Tc = +85oC, 无冷凝 | 5 | 85 | |
工作条件
编号 | 参数 | 符号 | 单位 | 条件 | 值 | 备注 | ||
Min. 值 | 典型值 | Max. 值 | ||||||
1 | 输入光功率 | Pin_Max | mW | - | 10 | a) | ||
2 | 工作温度 | Tc | ℃ | -5 | +65 | |||
3 | 工作湿度,相对,40oC 无凝结 | - | %RH | 5 | 85 | |||
4 | 存储温度 | Tstg | ℃ | -40 | +85 | |||
5 | 存储湿度 | - | %RH | 5 | 85 | |||
表 4.3,工作条件
注意:
a)Max. 输入光功率受光电二极管和放大器限制。更高的输入会使光电二极管和放大器饱和。
平衡接收器规格
# | 参数 | 单位 | 规格 | 备注 |
1 | 光电探测器 | / | InGaAs | |
2 | 波长范围 | nm | 1250 ~ 1650 | |
3 | 光电二极管的响应度 | A/W | >0.9 @1550nm ~0.85 @1310nm | |
4 | Max. 光输入功率 | mW | 10 | |
5 | 电源,电压 | V | +/-12 | +/-12VDC 电源将作为选配项目提供 |
6 | 电源,电流 | mA | 200 | |
7 | 电输出接口 | / | SMA |
表 4.4.1,通用要求
平衡接收器的电气性能规格
# | 参数 | 单位 | 15MHz | 100MHz | 200MHz | 400MHz | 700MHz | 1.2GHz | 1.6GHz |
1 | RF 输出带宽 (3dB):DC ~ xxx | MHz | 15 | 100 | 200 | 400 | 700 | 1200 | 1600 1) |
2 | 共模抑制比 (CMRR) 2) | dB | 20 | 20 | 20 | 20 | 20 | 20 | 20 |
3 | 跨阻增益 | V/A | 25.5x103 | 25x103 | 15x103 | 5x103 | 5x103 | 14x103 | 16x103 |
4 | 转换增益 RF 输出 | V/W | 25.5x103 | 25x103 | 15x103 | 4.5x103 | 4.5x103 | 12x103 | 14.4x103 |
5 | NEP (DC - 10MHz) | pW/Hz1/2 | 3.3 | 3.8 | 6.0 | 8.0 | 9.0 | 9.3 | 9.5 |
6 | 综合噪声 (DC - 100MHz) |
nWRMS |
14 |
65 |
130 |
140 |
160 |
180 |
200 |
7 | 总输出电压噪声 | mVRMS | 0.4 | 2.2 | 2.3 | 2.5 | 5 | 9 | 10 |
8 | RF 输出阻抗 | Ω | 50 | 50 | 50 | 50 | 50 | 50 | 50 |
9 | RF 输出电压摆幅 | V | +-3.6 | +-3.6 | +-3.8 | +-3.8 | +-3.6 | +-3.6 | +-3.6 |
10 | DC 偏移 RF 输出 3) | mV | +/-3 | +/-3 | +/-5 | +/-5 | +/-8 | +/-8 | +/-10 |
表 4.4.2,平衡接收器的电气性能规格
注释:
1) 典型带宽 1.6GHz。需要时可优化至Max. ~2.0GHz
2) CMRR > 20dBm,典型 ~ 25dB。可提供高 CMRR 的特殊设计,详情请联系我们。
3) 配置为交流耦合输出时。
90度光学混配器成接收机型号列表
平衡接收器的带宽 | 输入端口的光纤类型 | 编号 | ||||
信号 | LO | C波段 P/Ns | C+L 波段P/Ns | O 波段P/Ns | 1064 P/Ns | |
15MHz | PMF | PMF | RX-KC0015P817xx | RX-KT0100P867xx | RX-KQ0015P837xx | RX-KA0015P897xx |
15MHz | SMF | SMF | RX-KC0015S818xx | RX-KT0100S868xx | RX-KQ0015S838xx | RX-KA0015S898xx |
100MHz | PMF | PMF | RX-KC0100P801xx | RX-KT0100P851xx | RX-KQ0100P831xx | RX-KA0100P881xx |
100MHz | SMF | SMF | RX-KC0100S802xx | RX-KT0100S852xx | RX-KQ0100S832xx | RX-KA0100S882xx |
200MHz | PMF | PMF | RX-KC0200P803xx | RX-KT0200P853xx | RX-KQ0200P833xx | RX-KA0200P883xx |
200MHz | SMF | SMF | RX-KC0200S804xx | RX-KT0200S854xx | RX-KQ0200S834xx | RX-KA0200S884xx |
350MHz | PMF | PMF | RX-KC0350P805xx | RX-KT0350P855xx | RX-KQ0350P835xx | RX-KA0350P885xx |
350MHz | SMF | SMF | RX-KC0350S806xx | RX-KT0350S856xx | RX-KQ0350S836xx | RX-KA0350S886xx |
400MHz | PMF | PMF | RX-KC0400P807xx | RX-KT0400P857xx | RX-KQ0400P837xx | RX-KA0400P887xx |
400MHz | SMF | SMF | RX-KC0400S808xx | RX-KT0400S858xx | RX-KQ0400S838xx | RX-KA0400S888xx |
700MHz | PMF | PMF | RX-KC0700P809xx | RX-KT0700P859xx | RX-KQ0700P839xx | RX-KA0700P889xx |
700MHz | SMF | SMF | RX-KC0700S810xx | RX-KT0700S860xx | RX-KQ0700S840xx | RX-KC0700S890xx |
1.2GHz | PMF | PMF | RX-KC1200P811AC | RX-KT1200P861AC | RX-KQ1200P841AC | RX-KA1200P891AC |
1.2GHz | SMF | SMF | RX-KC1200S812AC | RX-KT1200S862AC | RX-KQ1200S842AC | RX-KA1200S892AC |
1.6GHz | PMF | PMF | RX-KC1600P815AC | RX-KC1600P815AC | RX-KQ1600P845AC | RX-KA1600P895AC |
1.6GHz | SMF | SMF | RX-KC1600S816AC | RX-KT1600S866AC | RX-KQ1600S846AC | RX-KA1600S896AC |
表 4.5,90度光学混配器成接收机型号列表
注释:
1) 部件编号:RX - KCnnnnYnnnXX
XX = DC,DC 耦合 RF 输出 XX = AC,AC 耦合 RF 输出
Y = S,SM 光纤用于光输入 Y = P,PM 光纤用于光输入
对于 700MHz、1.2GHz 和 1.6GHz,仅提供交流耦合输出
2) 默认情况下,输入端口的光学连接器为 FC/APC
其他类型的连接器可用
3) 默认情况下,90 度相位为 90+/-10 度。
90+/-5 度的高级等级可能需要额外付费。请联系我们了解详情
90 度光学混合与平衡接收器集成
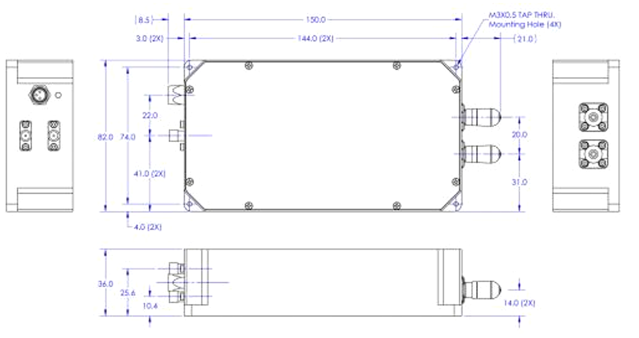
● 模块尺寸:150 x 82 x 36 毫米
● 重量:460 克
90度光学混配器集成接收机机械图纸

图 4.6.1 90度光学混配器集成接收机机械图纸

图 4.6.2 带平衡接收器的 90 度混合器的输入和输出端口标记
订购信息
型号 | 描述 |
RX-KC0100P801AC | 带有平衡光电接收器的集成90°光混频器, |
RX-KC0100P801DC | 带有平衡光电接收器的集成90°光混频器, |
RX-KC0100S802AC | 带有平衡光电接收器的集成90°光混频器, |
RX-KC0100S802DC | 带有平衡光电接收器的集成90°光混频器, |
