| 货号 | 操作 | 名称 | 描述 | 中心波长 | 输出功率 |
|---|
| 图片 | 名称 | 货号货期 | 描述 | 参数 | 价格 |
|---|
AF4B2 系列GB/GC 型是为光纤拉曼放大器开发的1.4μm 波段的泵浦激光器模块。输出功率高达500mw, 保偏光纤输出, 14引脚蝶形封装。内置TEC 和PD,热敏电阻。
● 光输出功率:A: type GB:300-400mw; B: type GC:420-500mw;
● 波长范围:A: type GB:λT=1420 to 1499nm;B: type GC:λT=1420 to 1485nm
● 偏振保偏光纤(PMF:φ0.25mm UV-coated) 14引脚蝶形封装,内置PD和TEC
● 拉曼放大器
技术参数:
光电特性(TFBG=25°C, TLD=25°C,TC=25°C)
参数 | 符号 | 测试条件 | Min. | 典型 | Max. | 单位 |
阈值电流 | Ith | - | - | - | 180 | mA |
中心波长 | λC | at Rated power,RMS(-20dB) | λT -1.0 | λT | λT + 1.0 | nm |
光谱宽度 | Δλ | at Rated power,-10dB | 3.5 | nm | ||
PD监控电流 | Im | at Rated power,VRD=5V | 100 | 2000 | mA | |
PD 暗电流 | Id | VRD=5V | 0.1 | mA | ||
跟踪误差 | ΔPf | Im=const., Tc= -20 to 70°C | -0.5 | 0.5 | dB | |
热敏电阻 | Rth | TLD=25°C, B=3900±100K | 9.5 | 10 | 10.5 | kW |
消光比 | Xp | at Pated power | 17 | dB |
jue对Max. 值参数:
参数 | 符号 | 数值 | 单位 |
LD正向电流 | IF | 2200 | mA |
LD 反向电压 | VR | 2 | V |
PD 正向电流 | IFD | 10 | mA |
PD 反向电压 | VRD | 20 | V |
工作机身温度 | TC | -20 to+70 | °C |
存储温度 | Tstg | -40 to +85 | °C |
Cooler 电流 | IC | 5.8 | A |
*超过jue对Max. 评级可能会导致故障。
光输出功率、COOLER特性和功耗(tld=25°C):
中心波长 | 额定输出功率 | LD电流 | 正向电压 | Cooler电流 | Cooler电压 | |
λC | Pf | IF | VF | IC | VC | |
[nm] | [mW] | BOL [A] | BOL [V] | EOL [V] | EOL [A] | EOL [V] |
1420 to 1499 | 300 | 1150 | 2.0 | 2.3 | 2.20 | 2.70 |
320 | 1200 | 2.0 | 2.3 | 2.20 | 2.70 | |
340 | 1300 | 2.0 | 2.3 | 2.30 | 2.80 | |
350 | 1400 | 2.0 | 2.3 | 2.35 | 2.85 | |
360 | 1400 | 2.0 | 2.3 | 2.40 | 2.90 | |
380 | 1400 | 2.0 | 2.3 | 2.45 | 2.95 | |
400 | 1400 | 2.0 | 2.3 | 2.50 | 3.00 | |
1420 to 1485 | 420 | 1600 | 2.2 | 2.5 | 2.60 | 3.10 |
450 | 1700 | 2.2 | 2.5 | 2.70 | 3.20 | |
500 | 1800 | 2.2 | 2.5 | 2.90 | 3.40 | |
(注)IF_EOL=IF_BOL x12,Max. 值
保偏尾纤参数:
参数 | Min. | 典型 | Max. | 单位 |
截止波长 | 1300 | 1400 | nm | |
模场直径(MFD)@1550nm | 10.0 | 10.5 | 11.0 | mm |
包层直径 | 124 | 125 | 126 | mm |
UV 涂层直径 | 230 | 245 | 260 | mm |
FBG波长的温度特性 | 0.01 | 0.02 | nm/°C | |
弯曲半径 | 30 | mm |
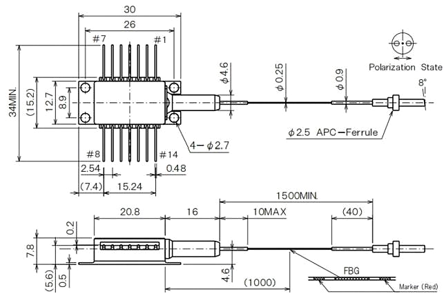
尺寸规格 (unit: mm):

(注)LD的极化方向平行于PMF的慢轴

