| 货号 | 操作 | 名称 | 描述 |
|---|
| 图片 | 名称 | 货号货期 | 描述 | 价格 |
|---|
Saturn 15B 光学扫描器 专为满足光孔径在 10mm 至 20mm 范围内的应用需求而设计,如激光打标、激光焊接、通孔钻孔、选择性激光烧结(SLS)3D 打印以及大光束激光显示等。
该型号提供多种线圈配置,包括一种具有超低电感和低电阻的配置,专为实现极快步进时间进行优化;另一种则具有中等电感和电阻,适用于如激光显示这类大信号应用。
Saturn 15B 的尺寸与 Cambridge 型号 6230 几乎相同,但重量约为其一半,因此可作为直接替换方案,同时在性能上实现显著提升,尤其适用于对电力消耗与发热敏感的应用场合。
该扫描器的转子转动惯量为 0.54 Gm•Cm²,目前在市场上尚无其他摆镜提供这一规格的转动惯量。
该惯量设计使得更多电机扭矩可以传递到反射镜上,而非用于驱动转子本身。配合我们高效且获得**的 X3 磁路设计,该扫描器在完成与传统摆镜相同工作的同时,产生的热量仅为传统产品的大约 1/3。
● 更强的磁场
● 更坚固的转子和轴
● 长寿命的 SV30 / 二氧化硅陶瓷混合轴承
● 具有高输出、低噪声的梯形位置传感器
● 低发热的电机磁路设计
● 尺寸兼容,可替代 Cambridge 6230
● 广角扫描,光学角度可达 110 度
● 低线圈电阻,扫描时发热量小
● 低热阻,散热能力更强
● 低晃动与低抖动
● 通孔钻孔
● 大光束激光显示
● 激光打标、激光焊接
● 选择性激光烧结(SLS)3D 打印
产品规格
参数 | Min. 值 | 标准值 | Max. 值 | 单位 |
z佳反射镜尺寸 | 10 – 20 | 毫米,有效孔径 | ||
旋转角度(2) | +/- 27.5 | 度,Max. 值(110 度光学角度) | ||
转子转动惯量 | 0.54 | 克・平方厘米 | ||
扭矩常数 | 93,800 | 110,000 | 146,000 | 达因・厘米 / 安培 |
转子z高温度 | 110 | 摄氏度 | ||
工作温度范围(3) | -10 to +85 | 摄氏度,无冷凝 | ||
热阻 | 0.7 | 0.8 | 0.7 | 摄氏度 / 瓦,Max. 值 |
线圈电阻 | 0.41 | 0.97 | 1.09 | 欧姆 |
线圈电感 | 152 | 185 | 370 | 微亨 |
反电动势(2) | 164 | 192 | 255 | µV / 度 / 秒 |
峰值电流 | 25 | 安培,Max. 值 | ||
均方根电流 | 11.7 | 7.1 | 7.0 | 安培(壳温 50°C 时的电流) |
电力处理能力 | 72 | 64 | 70 | 瓦(壳温 50°C 时的功率) |
小角度阶跃响应时间 | 240 | 260 | 500 | µS(搭配 5mm反射镜组时的响应时间) |
20 度峰峰值范围内的光电探测器线性度(2) | 99.9 | %,Min. 值 | ||
40 度峰峰值范围内的光电探测器线性度(2) | 99.5 | %,典型值 | ||
光电探测器输出信号(共模)(2) | 640 | µA(LED 电流为 40mA 时的输出信号) | ||
光电探测器输出信号(差模)(2) | 43.6 | µA / 度(LED 电流为 40mA 时的信号灵敏度) | ||
质量 | 140 | 克 | ||
所有规格参数均基于壳温 25°C 条件下测得。所有机械及电气参数的误差范围为 ±10%。
扫描振镜可根据需求轻松定制为其他配置。如需特殊规格,请联系我们说明具体要求。
备注:
1. 表格所示为壳温 50°C 时,受散热限制的扫描振镜理论Max. 性能。实际使用中,扫描振镜可能因伺服驱动器、电源等其他因素无法达到该Max. 值。
2. 角度参数以机械角度为单位。在大多数应用中,光学角度 = 2× 机械角度。
3. 多个因素会影响工作温度范围。如需在极限温度或超出范围的条件下使用,请提前联系我们。
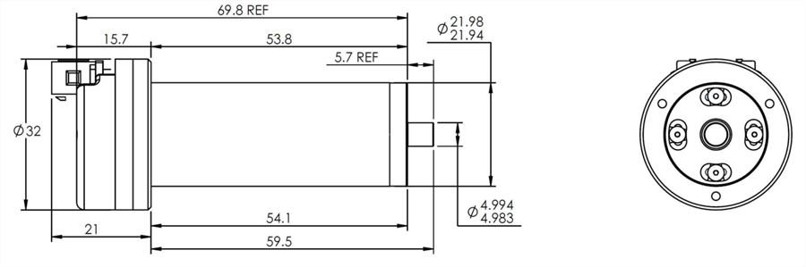
尺寸图
单位: 毫米


