| 货号 | 操作 | 名称 | 描述 | 中心波长 | 输出功率 |
|---|
| 图片 | 名称 | 货号货期 | 描述 | 参数 | 价格 |
|---|
微波分布式反馈(DFB)激光器在非常宽的带宽应用中为线性光纤通信提供了特殊的性能。ML1001线性光纤激光器是利用同轴电缆系统传输10MHz到18GHz信号的好选择。它们通过发射原始格式的射频信号,大大提高了微波通信网络的可靠性。由于这些优越的特性,我们的激光产品为包括天线遥控、遥测、定时和参考信号分配、测量和延迟线等等广泛的应用,提供了显著改善的高信号质量。
● 高动态范围
● 10MHz到18GHz带宽
● 低阈值电流
● 高输出功率
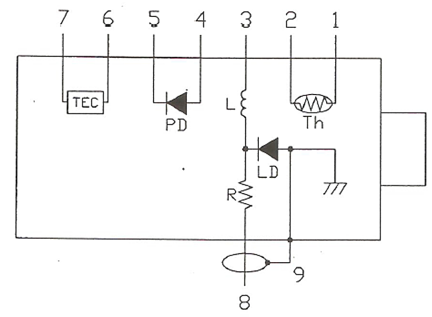
● 带有SMA连接器的7针蝶形封装
● 操作温度:-40~85℃
● 高可靠性
● 远程天线
● 蜂窝和PCS网络
● 军事通信
● 跟踪、遥测和控制
光电参数(Tc=25°C)
参数 | 符号 | Min. | 典型 | Max. | 单位 | 备注 |
光输出功率 | P | 6 | 8 | dBm | 1 | |
阈值电流 | Ith | 10 | mA | - | ||
操作电流 | Iop | 55 | 100 | mA | ||
操作电压 | Vop | 1.5 | 2.5 | V | - | |
峰值波长 | λ | - | 1310 | - | nm | |
斜率效能 | SE | 0.2 | W/A | |||
边模抑制比 | SMSR | 30 | dB | |||
噪声 | RIN | -150 | -130 | dB/Hz | ||
带宽(-3dB,I=60mA) | S21 | 18 | Ghz | |||
回波损耗 | S11 | -10 | -6 | dB | ||
输入1dB压缩 | 18 | dBm | ||||
热敏电阻 | Rth | 10 | Kohm | @25C | ||
TEC电流 | It | 1.2 | A | 2 | ||
TEC电压 | Vt | 2.5 | V | 2 | ||
电容(PD) | Ct | 20 | pF | |||
监测电流 | Im | 0.05 | 2.0 | mA | ||
暗电流(PD) | Id | 50 | nA |
备注:
1、激光温度设定25℃,偏置电流在55mA
2、操作温度-5~75℃
jue对Max. 值参数
参数 | 符号 | Min. | Max. | 单位 |
激光二极管正向电流 | If | 120 | mA | |
激光二极管反向电压 | V | 1 | V | |
PD反向电压 | Vr | 2 | mA | |
操作温度 | To | -40 | +85 | ℃ |
存储温度 | Tstg | -40 | +85 | ℃ |
储存相对湿度 | RHstg | 85 | % |
典型数据


单位(mm)
尺寸 | A1 | A2 | A3 | A4 | A5 | A6 | A7 | B1 |
典型 | 6 | 20.83 | 26 | 30 | 48 | 2.54 | 0.5 | 9 |
尺寸 | B2 | B3 | C1 | C2 | C3 | D | Φ1 | Φ2 |
典型 | 8.89 | 12.7 | 10 | 5.6 | 5.46 | 5.46 | 2.7 | 5.4 |

Lead# | Function | Lead# | Function |
1 | Thermistor | 6 | Cooler+ |
2 | Thermistor | 7 | Cooler- |
3 | LD-(Bias) | 8 | LD-(RF) |
4 | PD anode | 9 | LD+/GND |
5 | PD cathode |
