| 货号 | 操作 | 名称 | 描述 |
|---|
| 图片 | 名称 | 货号货期 | 描述 | 价格 |
|---|
MP-732T/R-MM电光转换模块是专门为短距离传送电信号(在一些不便于使用电信号直接传输领域如强磁场,高压电区域)。MP-732T/R-MM电光转换模块提供传输无电磁噪声不良影响干扰的交流和直流信息的透明传输。系统作为一个发射器/接收器成对出售。
MP-732T/R-MM电光转换模块是一个纯粹的模拟装置;没有模拟到数字的转换。输入电压信号转换成电流,用于驱动LED使得LED发光。LED发出的光被我们内置的光电探测器接收到转换成电压信号然后在被放大。接收机放大器的增益被调谐以提供透明传输。接收机增益和DC偏移可由终端用户调节,以便在安装时能够校准发射机和接收机单元。
该模型732t / R。LED的输出由接收器中的PIN光电探测器检测,转换成电压然后放大。
主要应用于带共模电压的测量设备等场所,
如等离子体物理实验,
电力传输设备及高功率激光器测量
电磁场隔离
Model | Type | TX Input | RX Output | Dynamic Range | Wavelength | 耦合方式 |
MP-732T/R | Analog/Digital | ±2.5V or 0-5V (50 Ohms or 33k) | ±2.5V or 0-5V (into 1k Ohm) | 55dB (voltage) | 850nm | DC coupled |
注意: Dynamic range is measured from peak signal to RMS noise;电光转换器(光纤链路) 需要±15VDC电源供电.
可选项:10m长多模连接器光纤(ST to ST, 62.5/125um multimode, PVC simplex) 需要额外收费.
Specifications are subject to change without notice.
转换模块带宽 | 接收器输出 | ||
带宽范围 | DC to 10MHz (analog BW) | 幅值 | ±2.5V or 0 to 5v, non-inverting |
平坦度 | ±3% | 负载 | >1KΩ |
电输出接口 | SMA | ||
反射器输入 | 增益/归零 | Trimpot adjustable | |
信号 | Sinewave/pulses or DC | 动态范围 | 55dB peak signal to rms noise |
幅值 | ±2.52v(add-2.5 to part number) 0v(add-5 to part number) | 输入接口 | ST connector |
阻抗 | 50Ω(add-50topart number) 33Ω(add-33ktopartnumbe) | 供电 | ±15VDC at mA typical for both transmitter and receiver |
电输入接口 | SMA | ||
输出接头 | ST connector | 温度 | 0° to 70° |
波长 | 850nm | ||
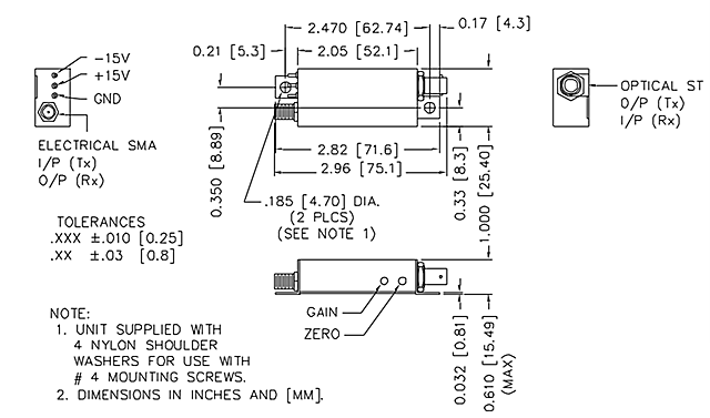
尺寸 | |||
可选光纤类型 | STtoST(Ceeramic),62.5/125um multimode, PVC Simpiex,10meters (add-10Mtopart number) | 发射器尺寸 | 2.96”x100”x0.61” |
接收器尺寸 | 2.96”x100”x0.61” | ||
重量 | 20 grams each |
产品实物图:

封装尺寸(mm):

25%的信号变化量会发生当线缆或者连接头移动时,每次移动光纤和/或连接器时,都要校准接收器增益和偏移量。如果需要更高的精度,则应考虑永jiu连接。
订货信息:
MP-732T/R-2.5-50-10M
■ Transmitter: Electrical Input Connector: SMA
■ Input Amplitude: 2.5V
■ Input Impedance: 50
■ Optical Output Connector: ST
■ Receiver: Optical
■ Input Connector: ST
■ Electrical Output Connector: SMA
■ Optional Fiber: ST to ST (Ceramic) 62.5/125um, multimode, PVC Simplex, 10 meters with mating connector terminations. Available for an additional fee.
