| 货号 | 操作 | 名称 | 描述 | 中心波长 | 输出功率 |
|---|
| 图片 | 名称 | 货号货期 | 描述 | 参数 | 价格 |
|---|
DenseLight DL-CS2079A系列是一种以固有的超辐射发光模式运行的宽带SLD.这种超辐射发光特性可以在更高的电流驱动下产生更宽的光谱带宽,而其他传统的基于ASE的SLED在更高的电流驱动下会产生更窄的光谱带宽。其低相干性降低了瑞利后向散射噪声。再加上高功率和大谱宽,它抵消了光接收器噪声,提高了空间分辨率(OCT)和测量灵敏度(传感器)。这款128nmSLED 是14引脚蝶形封装。它符合Bellcore文件GR-468-CORE的要求。
产品特点:
光纤输出功率为>7mW
典型的3dB带宽>70nm
典型的频谱调制频率为0.4 dB
BTF 封装
单模光纤
产品应用:
光纤陀螺仪
光学测试仪器
光纤传感器
光纤通信
光学相干断层成像术
生物医学成像装置
技术参数:(TSLED = 25 ℃)
参数 | 符号 | 条件 | Min. | 典型 | Max. | 单位 |
工作电流 | Iop | - | - | - | 400 | mA |
正向电压 | VF | Iop | - | - | 2.4 | V |
单模光纤输出功率 | Po | Iop | 7 | - | - | mW |
中心波长 | l | Iop | 1260 | 1275 | 1290 | nm |
光谱宽度 | BFWHM | Iop | 70 | - | - | nm |
光谱调制 | R | Iop | - | 0.4 | dB | |
热敏电阻 | Rtherm | T = 25 °C | 9.5 | 10 | 10.5 | kΩ |
TEC电压 | VTEC | Iop | - | - | 2.9 | V |
TEC电流 | ITEC | Iop | - | - | 1.6 | A |
jue对Max. 值参数
参数 | 符号 | 条件 | Min. | Max. | 单位 |
反向电压 | VR | - | - | 2 | V |
正向电流 | IF | - | - | 450 | mA |
正向电压 | VF | Iop | - | 2.8 | V |
机身温度 | Tc | Iop | -40 | 65 | °C |
SLED 温度1 | TSLED | Iop | 0 | 70 | °C |
TEC电压 | VTEC | - | - | 3.56 | V |
TEC电流 | ITEC | - | - | 2.6 | A |
存储温度 | Tstg | Unbiased | -40 | 85 | °C |
存储湿度 | - | - | 5 | 85 | %RH |
静电扩散 (ESD) | VESD | Human body model | - | 500 | V |
铅焊温度 | Stemp | - | - | 260 | °C |
铅焊时间 | Stime | - | - | 10 | sec |
典型的性能曲线图(操作条件:TSLED=25°C)



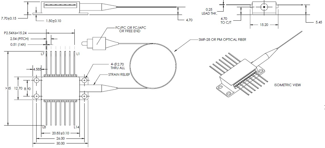
BTF封装
参数 | 描述 |
封装类型 | BTF |
光纤: | SMF-28 |
MFD | 9mm |
包层直径 | 125mm |
涂层直径 | 245mm |
保护套管 | 900mm loose tube |
尾纤长度 | 1m |
光纤弯曲半径 | >40mm |
连接头 | FC/APC |
尺寸信息 | 见下图 |

引脚定义

