| 货号 | 操作 | 名称 | 描述 |
|---|
| 图片 | 名称 | 货号货期 | 描述 | 价格 |
|---|
304永利集团的“Compact 506” 被认为是迄今为止体积Min. 、成本z低、重量最轻且用途最广泛的振镜扫描仪。它尤其适用于尺寸、成本和重量为Shou要考量因素的应用场景,例如 3D 打印机、激光雷达系统、便携式显示器和手持式医疗仪器。
尽管 Compact 506 体积非常小巧,但其基于 VRAD-506 驱动平台打造,该平台具有极为坚固的转子结构和 6 毫米外径轴承。这种结构使 Compact 506 光学扫描仪不仅能驱动小型镜面,还能驱动直径超过 1 英寸的超大镜面,且无需复杂的伺服环路即可实现。此外,在该尺寸规格的设备中,其每瓦扭矩性能堪称优秀,这使得这款振镜在大多数应用中都能低温运行。
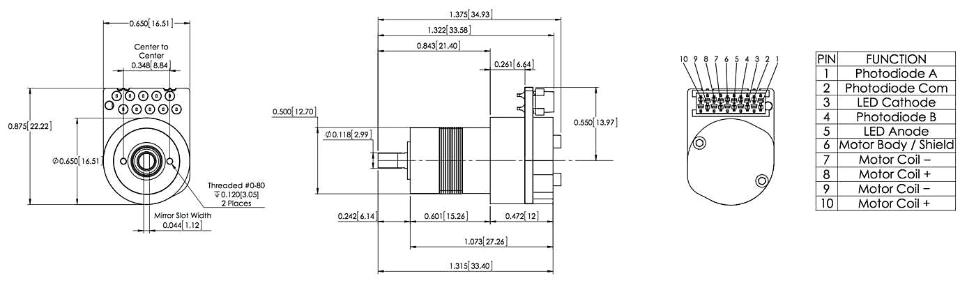
Compact 506 光学扫描仪提供两种独立的位置传感器配置:一种兼容传统的模拟振镜伺服驱动器,另一种兼容我们的 Mach-DSP 数字伺服驱动器,且具有更优的线性度。同时提供多种连接器选项,包括本数据手册中所示的 10 针 Micro-Match 连接器,以及 10 针 Molex/TE Mini-Fit Jr. 连接器(提供直插式和直角式两种配置)。
由于机身部件采用航空级铝材制造,这款光学扫描仪的重量跻身所有振镜扫描仪中最轻之列。此外,基于 VRAD-506 驱动平台,在断电时,借助磁弹簧复位功能,镜面位置可恢复至中心旋转角度。
● 更强的磁场
● 更坚固的转子与轴
● 更坚固的一体式背部支撑镜架
● 更坚固的 6 毫米外径精密轴承
● 更强的低噪声位置反馈
● 运行温度更低的电机磁体设计
● 极为紧凑、低成本且轻量化的设计
● 广角扫描,光学角度超过 60 度
● 可通过两颗螺丝从前部安装,或环绕机身安装
● 3D 打印机
● 激光雷达系统(LIDAR 系统)
● 紧凑型便携式显示器
● 手持式医疗仪器
● 激光清洗(油漆 / 铁锈去除)
参数
参数 | 数值 | 单位 |
z佳镜面尺寸 | 可达1inch | 直径 (with typical 1.1mm mirror thickness) |
旋转角度(2) | > +/-25 | 角度 (> 100 degrees optical) |
转子转动惯量 | 0.014 | Gram • Centimeters2 |
转矩常数 | 18,400 | Dyne • Centimeters per Ampere |
线圈z高温度 | 100 | Degrees Celsius |
工作温度范围 (3) | -10 to +85 | Degrees Celsius, non-condensing |
线圈至安装座的热阻 | 5.6 | Degrees Celsius per Watt, typical |
线圈电阻 | 1.8 | Ohms |
线圈电感 | 280 | µh |
反电动势 (2) | 32.1 | µV per degree per second |
峰值电流 | 10 | Amperes, Maximum |
均方根电流(RMS 电流) | 2 | Amperes at Tmount of 50°C |
电功率处理能力 | 9 | Watts at Tmount of 50°C |
小角度阶跃响应 | 150 | µS with ScannerMAX 3mm mirror set |
30 度范围内的光电二极管(PD)线性度 (2) | 99.5 | % Minimum (with Mach-DSP polarity configuration) |
光电二极管(PD)输出信号(共模) (2) | 300 | µA (at 25mA LED current) |
光电二极管(PD)输出信号(差模) (2) | 20 | µA per degree (at 25mA LED current) |
质量 | 12.8 | Grams |
所有规格参数均基于壳体温度为 25°C 的条件。所有机械和电气规格的公差为 ±10%
此类扫描器可根据需求灵活配置。欢迎联系我们说明您的具体要求。
备注
1. 图表表示在热限制条件下扫描器的理论Max. 性能,假设壳体温度为 50°C。
2. 角度规格为机械角度。对于大多数应用,光学角度 = 机械角度的 2 倍。
3. 多种因素会影响工作温度范围。如需在极限温度下或之外运行,请在使用前与我们联系。
轮廓图

所有尺寸单位均为英寸(mm)

