| 货号 | 操作 | 名称 | 描述 |
|---|
| 图片 | 名称 | 货号货期 | 描述 | 价格 |
|---|
Saturn 5B 光学扫描振镜专为满足投影和成像应用对高加速度及高均方根(RMS)占空比的需求而设计,适用于激光娱乐展示、光栅成像、共聚焦显微镜和光学相干断层扫描等场景。
在正弦驱动下,Saturn 5B 可使 5mm光束以超过 1kHz 的频率实现 40° 光学角度的扫描。针对 5mm光束,小角度光学步进的响应时间最快可达120微秒,60° 光学步进的响应时间为600微秒,轻松实现 ILDA 60K/5kHz 小信号带宽的扫描速度,且能稳定支持 5 毫米光束的传输。其** X3 磁路的气隙磁通密度超过 14,000 高斯。高强度磁场结合极低的线圈电阻和低转子惯性,使 Saturn 5B 在所有商用 5mm光束光学扫描振镜中,拥有z高的均方根扭矩 - 惯性比。新型–74S 版本采用为光栅成像优化的线圈,进一步降低扫描振镜和驱动器的发热量。
Saturn 5B 集成了扫描振镜的所有其他设计特点,包括半英寸圆形机身直径、背部支撑式反射镜安装设计,以及高输出、低噪声的位置传感器。
● 更强的磁场
● 更坚固的转子和轴
● 集成式背部支撑反射镜安装设计
● 长寿命的 SV30 / 二氧化硅陶瓷混合轴承
● 具有高输出、低噪声的梯形位置传感器
● 低发热的电机磁路设计
● 高速反射镜定位
● 广角扫描,光学角度可达 110 度
● 低线圈电阻,扫描时发热量小
● 低热阻,散热能力更强
● 低晃动与低抖动
● 激光娱乐(灯光秀)展示
● 光学相干断层扫描(OCT)
● 共聚焦显微镜/光栅成像
● 光学布局模板
● 激光标记
产品规格
参数 | -46S | 标准 | -74S | 单位 |
z佳镜面尺寸 | 4 – 8 | Millimeters, clear aperture | ||
旋转角度(2) | +/- 27.5 | Degrees, Maximum (110 degrees optical) | ||
转子转动惯量 | 0.026 | Gram • Centimeters2 | ||
转矩常数 | 30,000 | 36,000 | 46,000 | Dyne • Centimeters per Ampere |
z高转子温度(1) | 110 | Degrees Celsius | ||
工作温度范围 (3) | -10 to +85 | Degrees Celsius, non-condensing | ||
热阻 | 0.8 | 0.9 | 0.8 | Degrees Celsius per Watt, Maximum |
线圈电阻 | 0.9 | 1.95 | 2.6 | Ohms |
线圈电感 | 98 | 135 | 225 | µh |
反电动势电压(2) | 52.3 | 62.8 | 80.2 | µV per degree per second |
峰值电流 | 25 | Amperes, Maximum | ||
均方根电流 | 7.2 | 4.7 | 4.3 | Amperes at Tcase of 50°C |
电功率处理能力 | 62 | 55 | 62 | Watts at Tcase of 50°C |
小角度阶跃响应 | 120 | 140 | 250 | µS with ScannerMAX 5mm mirror set |
峰峰值 20 度范围内的光电二极管(PD)线性度 (2) | 99.9 | % Minimum | ||
峰峰值 40 度范围内的光电二极管(PD)线性度(2) | 99.5 | % Typical | ||
光电二极管(PD)输出信号(共模)(2) | 640 | µA with LED current of 40mA | ||
光电二极管(PD)输出信号(差模) (2) | 43.6 | µA per degree, with LED current of 40mA | ||
质量 | 30 | Grams | ||
所有规格参数均基于壳温 25°C 条件下测得。所有机械及电气参数的误差范围为 ±10%。
扫描振镜可根据需求轻松定制为其他配置。如需特殊规格,请联系我们说明具体要求。
备注:
1. 表格所示为壳温 50°C 时,受散热限制的扫描振镜理论Max. 性能。实际使用中,扫描振镜可能因伺服驱动器、电源等其他因素无法达到该Max. 值。
2. 角度参数以机械角度为单位。在大多数应用中,光学角度 = 2× 机械角度。
3. 多个因素会影响工作温度范围。如需在极限温度或超出范围的条件下使用,请提前联系我们。
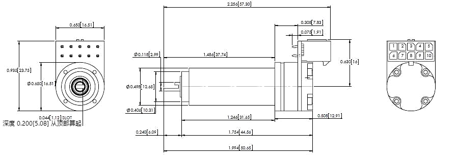
尺寸图


