×
复制成功
微信号:13061644116
添加微信好友,了解更多产品详情。
| 货号 | 操作 | 名称 | 描述 |
|---|
| 图片 | 名称 | 货号货期 | 描述 | 价格 |
|---|
匀化光纤,具有独te的光斑匀化扰模特性,输入高斯分布的激光,通过方形/矩形/八边形光纤后,能得到能量分布均匀的平顶光斑。同时在耦合效率上也高于圆形光纤。是精密激光加工(焊接、切割、打标),天文观测,夜视监控,激光生物检测等应用领域的理想光纤
本产品链接为匀化裸光纤+连接器跳线的相关型号
产品特点:
能量分布均匀,损伤阈值高
大芯径能量光纤
产品特点:
光学应用实验
激光传输
技术参数:
参数 | 指标 |
光纤类型 | WU375*375um ,310X310um , 600X600um |
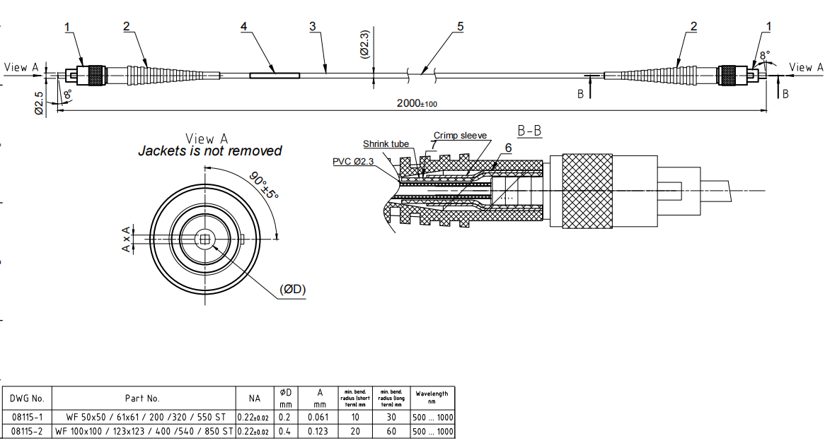
长度 | L≤1m 公差:±10mm 1m<L≤3m 公差:±15mm 3m<L≤5m 公差:±30mm 5m<L公差:±30mm |
接头类型 | SMA/FC-SMA/FC/SMA905 |
测试示意图

尺寸图

