| 货号 | 操作 | 名称 | 描述 | 中心波长 | 输出功率 |
|---|
| 图片 | 名称 | 货号货期 | 描述 | 参数 | 价格 |
|---|
FOL1405R系列已被设计用于多种光放大器,如用于光传输系统的EDFA或拉曼放大器,te别是在密集波分复用(DWDM)系统中.将应变多量子阱激光二极管芯片与热电冷却器(TEC)、热敏电阻和PIN光电二极管集成在一个密封的14针封蝶形封装中。一个双透镜系统将一个圆形的光从激光芯片有效地耦合到光纤上,并使输出功率高达320 mW。该激光模块符合TelcordiaTMGR-468要求中描述的电信要求,并在经过ISOTM9001认证的生产线上生产。
产品特点:
输出功率高达320 mW(CW)
14引脚蝶形封装
内置热电冷却器(TEC)和热敏电阻,以确保稳定运行
集成PIN光电二极管
内部光学隔离器(可选)
单模光纤或保偏光纤可选
波长稳定器可采用外部FBG(可选,限制PM光纤)
模块内的无环氧树脂设计,具有长期可靠性
产品应用:
掺铒光纤放大器的泵浦源
C和/或L波段EDFA
单通道放大器到DWDM放大器
拉曼放大器的泵浦源
技术参数:光电特性:(传感器温度(Ts)=25°C)
参数 | 符号 | Min. | 典型 | Max. | 单位 | 条件 |
输出功率 | Pf1) |
mW | ||||
FOL1405RRO
FOL1405RRP | 250
260 | -
- | -
- | IfBOL=<1100mA, | ||
FOL1405RSA
FOL1405RSB | 270
280 | -
- | -
- | IfBOL=<1200mA, | ||
FOL1405RTC FOL1405RTD
FOL1405RTV | 290
300
320 | -
-
- | -
-
- | IfBOL=<1300mA, | ||
中心波长(FP) 中心波长(FBG) | lc lc2) | 1460 lc-1.5 | -
lc | 1490
lc+1.5 | nm
nm | RMS(-20dB), Rated Power
RMS(-20dB), Rated Power |
光谱宽度(FP) 光谱宽度(FBG) | Dl Dl | - - | -
- | 8
3 | nm
nm | RMS(-20dB), Rated Power
RMS(-20dB), Rated Power |
LD 工作正向电压 | Vf | - | - | 2.6 | V | Rated Power |
LD 正向电流 at EOL | IfEOL | - | - | 1.2xIfBOL | mA | End of Life |
监控电流 | Im | 100 | - | 2000 | mA | VrPD=5V, Rated Power |
监控暗电流 | Id | - | - | 100 | nA | VrPD=5V |
消光比 | Re | 16 | - | - | dB | Type4 and Type6 |
隔离度 | Iso | 30 | - | - | dB | Type3 and Type4 |
TEC Spec. | - | Refer to below | - | - | ||
热敏电阻 | Rth | 9.5 | 10 | 10.5 | kW | Ts=25°C |
热敏电阻 B 常数 | Bth | - | 3900 | - | K | Ts=25°C |
1) Pf;可用的Pf可取决于所选择的中心波长。
2) lc;选择的中心波长从1420nm到1510nm可用。
TEC特性和功耗:
参数 | Itec[A] | Vtec[V] | 4) Ptotal[W] | 条件 |
RR* series Pf=250 to 260[mW] | 2.5 | 3.2 | 10.5 | Max. Val, Ts=25°C, DT=45°C, IfEOL |
RS* series Pf=270 to 280[mW] | 2.7 | 3.4 | 12.3 | Max. Val, Ts=25°C, DT=45°C, IfEOL |
RT* series Pf=290 to 320[mW] | 2.9 | 3.7 | 14.1 | Max. Val, Ts=25°C, DT=45°C, IfEOL |
4)总=Wtec+Wld(总功耗)
jue对Max. 值参数:
参数 | 符号. | Min. . | Max. | 单位 | 参数 | 符号 | Min. | Max. | 单位 |
存储温度 | Tstg | -40 | 85 | °C | PD 正向电流 | IfPD | - | 5 | mA |
工作机身温度 | Tc | -20 | 70 | °C | PD反向电压 | VrPD | - | 20 | V |
LD 正向电流 | If | - | 1600 | mA | TEC电流 | Ic | -1.1 | 4.5 | A |
LD 反向电压 | Vr | - | 2 | V | TEC 电压 | Vc | - | 4.5 | V |
光谱图

功率曲线图

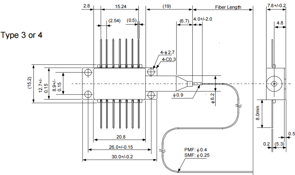
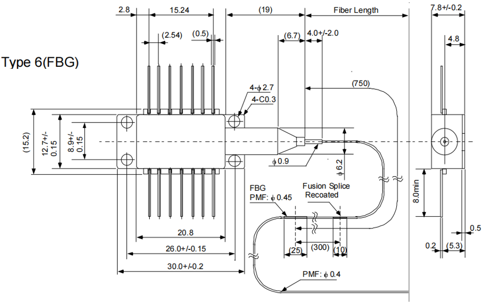
尺寸信息和引脚定义



订购信息:


