| 货号 | 操作 | 名称 | 描述 | 隔离度 | 光纤接头 |
|---|
| 图片 | 名称 | 货号货期 | 描述 | 参数 | 价格 |
|---|
304永利集团的可见光光隔离器产品在任意偏振态下均可保持优良的返程光隔离的性能,它具有低损耗,高隔离度,高回损,低偏振相关损耗,低偏振模式色散,宽工作波段和工作温度范围,光路无胶等性能为通信网络低成本的解决方案提供了可能性,该系列产品可用于RGB系统的研究,光纤光学设备和激光器中,我们的尾纤借助于我们SM600的单模光纤以及HB600保偏光纤优异性能使其有更好的光学性能,也更好的兼容我司633nm的单模保偏光纤耦合器。
● 工作波长范围宽 & 工作温度范围广
● 低插入损耗 & 高隔离度
● 偏振相关损耗及偏振模色散小
● 光路无胶
● 具有非常高的可靠性和稳定性
● 光纤放大器
● WDM & DWDM 系统
● 光纤设备
● 光纤激光器
参数 | 单位 | 值 | 备注 |
中心波长(nm) | nm | 633 | 其他波长可以定制 |
插入损耗 | dB | ≤4.5 | 633nm,3mw,DFB |
隔离度 | dB | ≥16单级 | @25摄氏度 |
偏振相关损耗 | dB | ≤0.1dB | |
光纤类型 | N/A | Nufern PM630HP | 其他光纤类型可选 |
消光比 | dB | 18 | |
对轴方式 | 慢轴对准 | ||
偏振膜色散 | Ps | <0.25 | |
偏振色散 | Ps | <0.05 | |
回波损耗(进光/出光) | dB | >45dB | |
最大操作功率 | mW | 500 | |
工作温度 | ℃ | -5-70℃ | |
存储温度 | ℃ | -40-85℃ | |
测试光源 | 633nm LD-PD台式光源 | ||
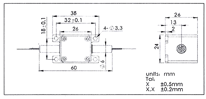
封装尺寸(mm) | 如下图 |
备注:
*.有所指标皆为未不含接头指标,切仅在以上波长,偏振态和温度下确保有效
**.指标若有更改,恕不另行通知。
实际测试结果(633nm 4.7mw DFB激光器测试结果):

正向

反向

VIS-ISO- W□□□□-S○-P▽-☆-△-XX
W□□□□: Wavelength
532: 532nm
633: 633nm
*****
850: 850nm
S○: Stage Numbers
11: 单级隔离器
P▽: Package
1: Standard
2: Mini
☆: Pigtail Length
05: 0.5m
1: 1m
10: 10m
△: Loose Tube
B: Bare Fiber
9: 900um Loose Tube
20: 2mm Loose Tube
30: 2mm Loose Tube
XX: Fiber and Connector Type
SA=SM600+ FC/APC
SP=SM600+ FC/PC
PA=PM630 Fiber+ FC/APC
PP=PM630 Fiber+ FC/PC
