| 货号 | 操作 | 名称 | 描述 |
|---|
| 图片 | 名称 | 货号货期 | 描述 | 价格 |
|---|
本产品采用对 400~1700nm 近红外波段(含可见光区域)具有高灵敏度的 InGaAs 图像传感器,可将人眼及普通 CCD/CMOS 相机难以拍摄的对象可视化。作为 InGaAs 传感器,支持 2560×2048 像素高分辨率成像,Max. 帧率可达 67fps(帧 / 秒。)采用与 PC 兼容性强的 USB3.0 接口,无需通过采集卡或主机适配器卡,可直接向 PC 传输图像数据。
● 近红外高灵敏度
● 高分辨率
● USB3.0 接口设计
产品构成:
1) 相机本体
2) USB3.0 线缆(TYPE A-micro B 接口,长度约 3 米)
3) 软件CD
<配件选择>
1) 近红外专用镜头(C 接口镜头)
相机的连接方法(连接示例):
在普通笔记本电脑、台式电脑等设备上使用时,请用附带的 USB3.0 线缆将相机与电脑连接。相机电源由 USB 总线供电。

规格一栏:
项目 | ARTCAM-992SWIR |
成像元件 | SONY 制造铟镓砷传感器 型号: IMX992-AABJ-C |
有效像素数 | 2592(W) × 2056(H) |
输出像素数 | 2560(W) × 2048(H) |
像素尺寸 | 3.45[μm] × 3.45[μm] |
有效成像面积 | 8.8[mm] × 7.1[mm] 1/1.4 型 |
检测频率范围 | 400~1700nm (整个波长范围) |
快门方式 | 全局快门 |
信噪比(参考) | TBD |
输出接口 | USB3.0 批量传输 |
A/D 分辨率 | 12bit |
帧率 | 67fps(8bit 传输) 33.5fps(12bit 传输) |
曝光时间 | 13.04μ秒 ~ 2秒(8bit 传输) 26.08μ秒 ~ 2秒(12bit 传输) |
增益(模拟 / 数字) | 0~420 ※默认值为0 (0~42dB ※默认值为 0dB) |
ROI(感兴趣区域)子采样(1/2) | ON/OFF ※默认值 OFF ROI:仅支持垂直方向(水平方向由软件支持) 子采样:支持1/2倍 像素合并:支持2x2 |
触发拍摄 | 开/关 ※默认值为 关 |
镜像翻转 | 开/关 ※默认值为 关 支持垂直和水平方向 |
工作模式 | 内部同期/外部トリガ―同期 (オプション) |
镜头接口 | C 接口 |
外部触发输入(选配件) | 外部触发接口(选购时) SMA 母头接口(附带 BNC 转换适配器) |
电源 | DC5V USB 总线供电 |
功耗 | 约 4.5W 以下(平均消耗电流:约 0.85A) |
环境条件 | 工作温度 / 湿度:10~35℃/10~80%(无结露) 存储温度 / 湿度:0~60℃/10~95%(无结露) |
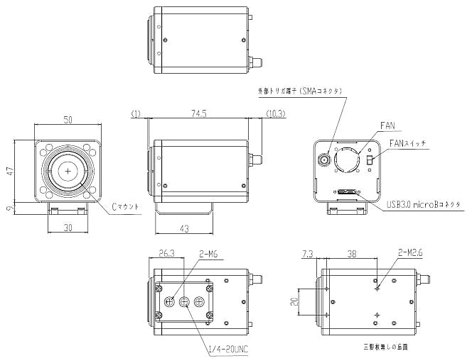
外形尺寸 | 992SWIR:50.0(宽)×47.0(高)×42.7(深)mm 992SWIR-TRG-FAN:50.0(宽)×47.0(高)×74.5(深)mm |
重量 | 992SWIR:约 120g 992SWIR-TRG-FAN:约 150g |
模拟 + 数字增益设置:
本相机的传感器配备模拟增益和数字增益功能。
软件上的设定值范围为 0~420,对应增益倍数 0.0dB~42.0dB。
增益倍数计算公式:
Gain [dB] = 增益设定值 / 10.0 [dB]
当增益设定值≥180 时,数字增益将启用。
增益设定值与倍数 [dB] 的关系如下所示。

※ 支持 LCG(低转换增益)模式与 HCG(高转换增益)模式切换。
分光感度特性

传感器封装与受光面位置:

H = 3.45[um] * 2560 = 8832[um] V = 3.45[um] * 2048 = 7065.6[um]
镜头对应视野范围(参考):

上图以 1/2 英寸(φ8mm)、2/3 英寸(φ11mm)、1 英寸(φ15.8mm)传感器对角线尺寸作为对比参考,但实际视野范围会因镜头规格不同而存在差异。
相机外形尺寸如:
标准规格

外部出发规格(可选配)

外部触发&风扇规格(可选配)

※规格可能有所变更,恕不另行通知。
传感器周边尺寸图:

外部触发功能(配件选择)
选购该配件后,相机出厂时将配备外部触发功能。
相机内置光耦隔离的外部触发输入电路,可实现与外部回路输入信号同步的拍摄操作。

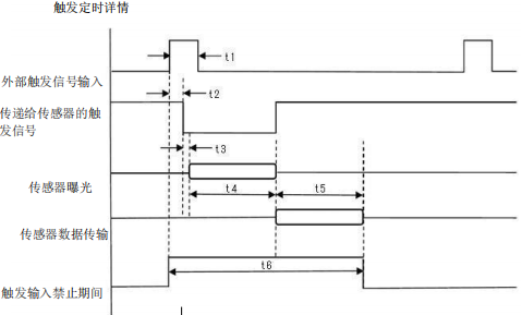
触发时序图(ITR模式)

项目 | 时间 | |
t1 | 有效触发输入脉冲宽度 | ≥10μs |
t2 | 外部触发输入上升沿至传感器触发信号下降沿的光耦延迟(光耦隔离延迟) | ≤1μs |
t3 | 传感器触发信号下降沿至曝光开始的Max. 延迟 | ≤0.13μs |
t4 | 曝光时间 | 快门速度设定值 × 1H 时间(1H 为水平扫描周期,例如 2560 像素时 1H≈14μs) |
t5 | 数据传输时间(传感器→FPGA) | (TBD + 有效垂直像素数) × 1H 时间(TBD 为待定参数,1H 定义同上) |
t6 | 触发输入禁止期 | t2(曝光时间)+ t3(数据读出时间)+ t4(FPGA 处理时间)+ t5(USB 传输时间)+ 600μs |
※ ※ 1H 时间:8bit 模式下为 6.52 微秒,12bit 模式下为 13.04 微秒
※ TBD(暂定参数)= 43
※ 若需连续输入触发信号,请确保触发间隔大于 t6。
触发时序图(IWR模式)

项目 | 时间 | |
t0 | 触发输入脉冲(正逻辑) | 请输入≥1 毫秒的脉冲宽度 |
t1 | 内部触发信号发出的延迟 | 约 6.8μ 秒(由光电耦合器产生的物理延迟,以及 FPGA 内消抖处理产生的延迟的实测值) ※由光电耦合器产生的延迟也取决于输入触发的电压 |
t2 | XTRG(发送给传感器的触发信号)发出的延迟 | Max. 1H 时间 (1H 时间 = 707clock ≒ 12.96 微秒 @54.5454MHz) ※为了对曝光中的触发输入进行重叠拍摄,水平同步信号不会被触发输入重置) |
t3 | 发送给传感器的触发信号(负逻辑) | 脉冲宽度为软件设定的曝光时间(按 1H 时间单位向下取整) |
t4 | 触发下降沿到曝光开始的延迟 | 1~2H 时间 ※Max. 误差 1H 时间 |
t5 | 触发上升沿到曝光结束的延迟 | 1H 时间 + 7.372 微秒 ≒ 20.332 微秒 |
t6 | 曝光时间 | t3 + 7.372 微秒 |
t7 | 数据读出开始的延迟 | 10H 时间 ≒ 129.6 微秒 |
t8 | 数据读出时间 | (1024 + 34) H 时间 ≒ 13.713 毫秒(1280x1024 输出) |
t9 | 触发输入禁止期间 | t6<t8 的情况(曝光时间比 1 帧时间短): |
t10 | USB 读出开始的延迟 | 约 1 毫秒以下(取决于 PC 等) |
t11 | USB 读出时间 | 约 8 毫秒(取决于 PC 等,1280x1024、16bit 传输时理论值Max. ) |
※使用注意事项
在 IWR 模式的触发输入期间,无法更改曝光时间。若要更改曝光时间,务必在触发输入停止的状态下进行。此时,为确保设定变更切实生效,需在触发输入停止后,等待 变更前的曝光时间 + 数据读出时间(t6 + t7 + t8 + α ) ,之后再更改曝光时间。(※推荐 α≥20 毫秒 )
推荐配置
● 主机控制器
本产品支持 USB3.0
若连接至 USB2.0 主机控制器,运行速度可能会极度下降,或出现无法正常运行的情况。
● CPU
本产品的驱动程序支持 “x86” 或 “amd64” 架构的处理器 。由于 CPU 性能会影响图像的绘制速度和图像处理速度,建议尽可能使用高性能的 CPU 。
● 可用内存
查看软件会在内部保留可存储 4 - 8 张图像的缓冲区,因此至少需要有能存储约 8 张图像的可用内存容量 。
(※例如,对于 130 万像素的彩色相机,所需内存为 1280×1024×3×8 [字节] = 30 [MB] )
尤其是使用高分辨率相机时,建议可用内存预留充足的余量 。
● 兼容操作系统
仅标准兼容 NT 系列 Windows(32 位 / 64 位),且已在 Windows 10 及更高版本的操作系统上完成标准运行测试 。
同时,推荐在 Windows 11 上使用 。
