| 货号 | 操作 | 名称 | 描述 | 中心波长 | 输出功率 | 光纤接头 |
|---|
| 图片 | 名称 | 货号货期 | 描述 | 参数 | 价格 |
|---|
LD-PD公司的760nm DBR高功率分布式布拉格反射激光器,是一款蝶形封装,保偏光纤耦合,内置隔离器具有更高的波长稳定性,同时使得激光器可有效减小驱动电流、温度与光反馈相关因素的波长稳定性。系列产品符合Telcordia GR-468可靠性要求。目前市场上商用TDLAS氧气检测分析的激光器。
● 低阈值电流,高输出功率
● FC/APC接头可选
● 窄线宽输出
● TDLAS氧气分析
● 测试光源
光电参数(TCHIP = 25 °C, TCASE = 25 °C) | ||||
中心波长 | 759 | 761 | 763 | nm |
线宽 | - | 10 | - | MHz |
输出功率 | 6 | 9 | - | mW |
驱动电压 | - | 2.0 | 2.5 | V |
驱动电流 | - | 125 | mA | |
Mode-Hop-Free Rangeb | 20 | - | - | mA |
边模抑制比 | 30 | 50 | - | dB |
30 dB BW in Mode-Hope-Free Rangec | - | - | 0.3 | nm |
阈值电流 | - | 55 | - | mA |
斜坡效率 | 0.1 | 0.12 | - | W/A |
电流波长系数 | - | 0.002 | - | nm/mA |
温度波长系数 | - | 0.052 | - | nm/°C |
探测响应度 | - | 50 | - | µA/mW |
消光比d | 16 | - | - | dB |
隔离度 | - | 30 | - | dB |
TEC Operation (TCHIP= 25 °C, TCASE= 25 °C) | ||||
参数 | min | typ | max | unit |
TEC 电流 | - | 0.24 | - | A |
TEC 电压 | - | 0.31 | - | V |
热敏电阻 | - | 10 | - | kOhm |
一般规格 | |
参数 | Value |
监控PD | Yesa |
封装形式 | 保偏光纤 蝶形 |
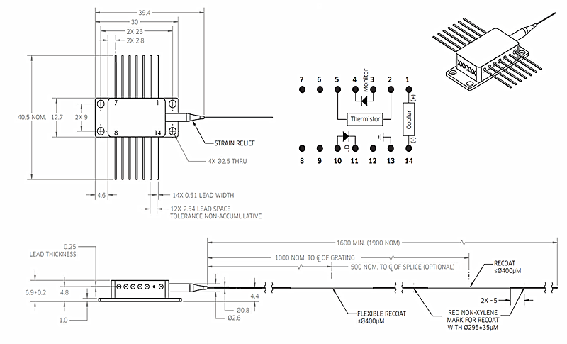
引脚定义 | 14-Pin Type 1b |
是否内置隔离器 | Yes |
模式 | 单频c |
波长测试 | Yes |
a.带有内置监控PD的半导体激光管可以在恒定功率下工作。
b. 有关引脚配置,请参阅下面的引脚图。
c. 单频激光器(单纵模)。
光纤 | |
光纤类型 | PM780-HP |
模场直径a | 5.3 ± 1.0 µm @ 850 nm |
数值孔径 | 0.12 |
光纤长度 | 1.5 m |
接头类型 | FC/APC (2.0mm窄键 慢轴对准) |
保护套 | Ø3 mm |
a. 模场直径(MFD)指出为标称值。
光谱图

功率曲线图

引脚定义


1 | Thermoelectric Cooler (+) | 8 | N/C |
2 | Thermistor | 9 | N/C |
3 | PD Monitor Anode (-) | 10 | Laser Anode (+) |
4 | PD Monitor Cathode (+) | 11 | Laser Cathode (–) |
5 | Thermistor | 12 | N/C |
6 | N/C | 13 | Case Ground |
7 | N/C | 14 | Thermoelectric Cooler (–) |
