close[X]
您的购物车
型号 数量 货期
查看购物车 结算

小型可调光滤波器 1064nm TOF 插损小于2.5dB  

小型可调光滤波器 1064nm TOF 插损小于2.5dB
304永利集团 的 MEMS 可调谐滤波器是基于 MEMS(微机电系统)技术和光栅技术原理 ,具有尺寸小、速度快、寿命长、稳定性与可靠性高等特点。


联系客服
 西北华中华东华南 Daisy
18602170419 同微信 可扫码  info@microphotons.com
 华北西南东北 Moli
13061644116 同微信 可扫码  info@microphotons.com
产品型号 1
货号 操作 名称
小型可调光滤波器 1064nm TOF 插损小于2.5dB FC/APC   [PDF] 波长范围:1064±20:nm; 插入损耗(IL):<2.5dB(典型值1.5); 响应时间:≤5ms;Max. 输入光功率:20dBm; 带宽@3dB:0.8-1.2nm; 回波损耗(RL):>40Db; 侧峰抑制比:≤25dB;光纤类型:Hi 1060; 偏振相关损耗:0.5dB    价格 : ¥0 库存/货期:请咨询客服
总览

304永利集团 的 MEMS 可调谐滤波器是基于 MEMS(微机电系统)技术和光栅技术原理 ,具有尺寸小、速度快、寿命长、稳定性与可靠性高等特点。


产品特点

热稳定性及重复性高,寿命长

光学性能表现好,插入损耗低、尺寸小

可定制化(波长与衰减范围)

产品应用

光信道性能监测

光谱分析

ROADM

信号跟踪


通用参数


参数

指标

单位

波长范围

1064±20

nm

插入损耗(IL)

<2.5(典型值1.5)

dB

响应时间

≤5

ms

带宽@3dB

0.8-1.2

nm

回波损耗(RL)

>40

Db

侧峰抑制比

≤25

dB

偏振相关损耗

0.5

dB

寿命

1*10^9

cycles

Max. 输入光功率

20

dBm

工作温度

-5

70

存储温度

-40

85

光纤类型

Hi 1060

--

光纤长度

1+/-0.05m

--

连接头类型 

FC/APC

--

光纤套管

50cm裸纤, 50cm 900um松套管

--

ESD 阈值(HBM)

500

V

DC 驱动电压

0~60

V


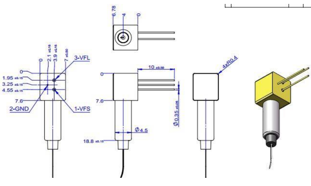
机械尺寸:(单位: mm)


管脚定义:

 


定义

描述

说明

 PIN1

 VFS

 加电用于短波一侧滤波

1. PIN1&PIN2 供电时, 产品工作在 

1044nm-1064nm 波段。

2. 加电范围:0-60V

PIN2

GND

接地


 PIN3

 VFL

 加电用于长波一侧滤波

1. PIN3&PIN2 供电时, 产品工作在 

1064nm-1084nm 波段。

2. 加电范围:0-60V

注意事项:

1, PIN1 和 PIN3 不能同时供电。

2, 保存与操作产品时, 请注意静电保护。

3. 产品损坏电压为 65V











使用本网站,即表示您同意我们使用cookie.它可以帮助更好地提供会员服务以及短时间内记录您的浏览记录
已知晓 了解详情
提示