| 货号 | 操作 | 名称 | 描述 |
|---|
| 图片 | 名称 | 货号货期 | 描述 | 价格 |
|---|
该探测器的主要应用场景为高功率密度脉冲激光(准分子激光、CO₂-TEA 激光、Nd-YAG 激光)。由于其具有高损伤阈值、短时间常数、较高灵敏度和大孔径特性,我们提供的这款传感器可广泛适用于多种应用场景。
与其他涂层不同,该涂层具有极强的耐受性。因此,可使用大多数溶剂或消毒剂清洁其表面。这一特性以及对准分子激光的高损伤阈值,使得该系列探测器成为医疗应用的理想选择。
技术规格:
PEM 45 K | PEM 20 K | |
有效感光面直径 | 45 mm | 20 mm |
灵敏度 | 1.5 .. 3.5 V/J at 1 MOhm 0.5 .. 1.5 V/J at 100 kOhm | 10 .. 15 V/J at 1 MOhm |
Max. 重复率 | 30 Hz at 1 MOhm | 30 Hz at 1 MOhm |
Max. 平均功率 | 5 W | 3 W |
Max. 平均功率密度 | 0.5 W/cm² | 0.5 W/cm² |
探测阈值 | 1 mJ | 500 µJ |
准确度 | ±3 % | ±3 % |
接口类型 | BNC, E-connector | with EEPROM |
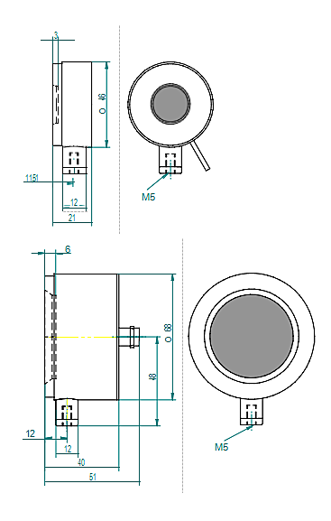
外形尺寸(直径x长度) | 68 mm x 51 mm | 46 mm x 21 mm |
在选定波长下的允许功率密度和能量密度:
峰值功率密度 | 能量密度 | |
Excimer, 308 nm, τ = 20 ns | 50 MW /cm² | 1 J/cm² |
Nd:YAG, THG, 355 nm, τ = 7 ns | 65 MW /cm² | 450 mJ/cm² |
Nd:YAG, SHG, 532 nm, τ = 8 ns | 70 MW /cm² | 560 mJ/cm² |
Nd:YAG, 1064 nm, τ = 8 ns | 120 MW /cm² | 970 mJ/cm² |
CO2-TEA, 10,6 µm, τ = 0,5 µs | 10 MW /cm² | 5 J/cm² |
波长:

吸收率:


尺寸:

单位(毫米)
