close[X]
您的购物车
型号 数量 货期
查看购物车 结算

1650nm SLD保偏激光二极管 10mW(Anristsu)  

1650nm SLD保偏激光二极管 10mW(Anristsu)
AS6B118GM50M是1.65nmSLD(超级发光二极管)模块,用于各种光学测量的非相干光源。该激光器从PMF(保偏光纤)发射具有宽光谱和高输出功率的非相干光。


联系客服
 华北西南东北 Moli
13061644116 同微信 可扫码  info@microphotons.com
 西北华中华东华南 Daisy
18602170419 同微信 可扫码  info@microphotons.com
产品型号 1
货号 操作 名称
A80050086  1650nm SLD保偏激光二极管 10mW(Anristsu)   [PDF] 中心波长:1650nm 输出功率:10mW 光谱半宽度:70nm 保偏光纤 隔离度:30dB 14引脚蝶形封装 接头类型:FC/PC    价格 : 请联系客服 库存/货期:请咨询客服
总览

AS6B118GM50M是1.65nmSLD(超级发光二极管)模块,用于各种光学测量的非相干光源。该激光器从PMF(保偏光纤)发射具有宽光谱和高输出功率的非相干光。

通用参数

产品特点:

高光输出功率:10mW/£350mA

光谱半宽度: Dl=70nm (typ.)

内置光隔离器

内置监控PD和TEC


产品应用:

光学传感器

光学相干断层扫描(OCT)

光学测量


技术参数:

光电特性(TSLD=25deg.C, TC=25deg.C)

参数

符号

测试条件

Min.

典型

Max.

单位

正向电压

VF

Pf=10mW

2.5

V



正向电流 (BOL)

IF

Pf=10mW

350

mA



中心波长

λC

Pf=10mW, -3dB

1630

1650

1670

nm

光谱宽度

Dl

Pf=10mW, -3dB

65

70

nm


光谱波纹

M

Pf=10mW, res=0.1nm

0.6

dB



PD监控电流

Im

Pf=10mW, VRD=5V

100

2000

μA


PD暗电流

Id

VRD=5V

0.1

μA



跟踪误差

ΔPf

Im=const, TC=-20 to   75deg.C

0.5

dB



TEC电压

Vc

IF=*EOL, TC=75deg.C

3.5

V



TEC电流

Ic

IF=*EOL, TC=75deg.C

1.2

A



热敏电阻

Rth

TSLD=25deg.C, B=3900±100K

9.5

10

10.5

光隔离度

Ro

λ=1650nm,TSLD=25deg.C

30

dB



 

(注)*EOL=BOL x 1.2

(注)SLD的极化状态与慢轴平行。

 

jue对Max. 额定值(Tsub=25℃)

ltem

符号

评级

单位

SLD 正向电流

lF

420

mA

SLD 反向电压

VR

2

V

PD 正向电流

lFD

10

mA

PD 反向电压

VRD

10

V

工作环境温度

Tc

-20 to +75

储存温度

Tstg

-40 to+85

冷却器电流

lc

2

A

 

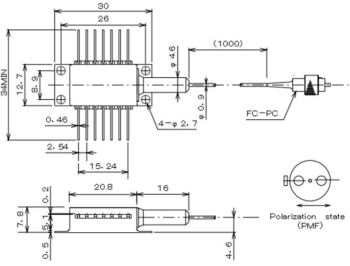
尺寸信息:





引脚定义:

No.

FUNCTION

No.

FUNCTION

1

Cooler anode

8

NC

2

Thermistor

9

NC

3

PD anode

10

SLD anode

4

PD cathode

11

SLD   cathode

5

Thermistor

12

NC

6

NC

13

Case

7

NC

14

Cooler cathode














使用本网站,即表示您同意我们使用cookie.它可以帮助更好地提供会员服务以及短时间内记录您的浏览记录
已知晓 了解详情
提示