304永利集团生产的 PL-DFB-1593-A-A81-PA 型 1593nm 分布反馈(DFB)激光二极管模块,是一款性价比高、高相干性的激光光源。该分布反馈激光二极管芯片采用行业标准的 14 引脚蝶形封装,内置热电制冷器(TEC)和光电探测器(PD)。
产品特点
窄线宽 < 2MHz
优秀的波长控制和稳定性
行业标准 14 针蝶形封装
无跳模调谐
优秀的可靠性
可提供客户定制波长
产品应用
可调谐二极管激光吸收光谱法
CH4监测
尺寸图
激光器规格
电气/光学特性(Tsub=25°C,CW 偏置,除非另有说明)
参数 | 符号 | Min. 值 | 典型值 | Max. 值 | 单位 |
中心波长 | λ | 1592.5 | 1593.0 | 1593.5 | nm |
边模抑制比 | SMSR | 30 | 40 | dB | |
阈值电流 | Ith | 20 | 30 | mA | |
工作电流 | Iop | 80 | mA | ||
芯片输出功率 | Pf | 10 | 15 | 30 | mW |
量子效率 | η | 0.08 | 0.12 | mW/mA | |
电流调谐系数 | ∆λ/∆I | 0.015 | nm/mA | ||
温度调谐系数 | ∆λ/∆T | 0.12 | nm/K | ||
正向电压 | Vf | 1.3 | 2 | V | |
热敏电阻阻值 | RT | 9.5 | 10 | 10.5 | KΩ |
热敏电阻温度系数 | -4.4 | %/°C | |||
接头 | FC/APC | ||||
光谱
L-I曲线

线宽测试结果

光束质量分析

2D

3D
相机分析

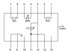
引脚定义:

PIN# | 定义 | PIN# | 定义 |
1 | 热敏电阻 | 8 | 外壳接地 |
2 | 热敏电阻 | 9 | 外壳接地 |
3 | 激光阴极(-) | 10 | N/C |
4 | 探测器(+) | 11 | 激光阳极(+) |
5 | 探测器(-) | 12 | 激光阴极(-) |
6 | TEC (+) | 13 | 激光阳极(+) |
7 | TEC (-) | 14 | N/C |
jue对Max. 额定参数
项 | 单位 | Min. 值 | 典型值 | Max. 值 |
外壳温度 | °C | -5 | 25 | 70 |
芯片温度 | °C | +10 | 25 | 40 |
工作电流 | mA | 0 | 100 | 120 |
正向电压 | V | 0.8 | 1.2 | 1.8 |
TEC电流 | A | - | - | 1.2 |
反向电压 (LD) | V | - | - | 2.0 |
反向电压 (PD) | V | - | - | 20 |
订购信息
PL-DFB-□□□□-☆-A8▽-XX
□□□□: Wavelength
1270: 1270nm
1532: 1532nm
1392: 1392nm
1512: 1512nm
1567: 1567nm
*****
1593: 1593nm
1653.7: 1653.7nm
☆ :Output Power A:10mW
B:20mW
▽:Wavelength Tolerance 1:±1nm
2:±2nm
XX: Fiber and Connector Type
SA=SMF-28E+ FC/APC
SP=SMF-28E+ FC/PC
PP=PM Fiber+ FC/PC
PA=PM Fiber+ FC/APC
| 名称 | 型号货号 | 描述 | 价格 |
|---|
