Max. 额定值
参数 | 符号 | Min. | Max. | 单位 | 条件 |
存储温度 | Tstg | -40 | 85 | oC | |
工作外壳温度 | Tc | -5 | 75 | oC | TEC operation |
LD 正向电流 | IfLD | - | 300 | mA | |
LD 反向电压 | VrLD | - | 2 | V | |
SOA 正向电流 | IfSOA | - | 1050 | mA | |
SOA 反向电压 | VrSOA | - | 2 | V | |
PD 正向电流 | IfPD | - | 10 | mA | |
PD 反向电压 | VrPD | - | 20 | V | |
TEC1 电流 (LD) | Itec1 | - | 1.2 | A | Tth=-5~+95℃ |
TEC1 电压 (LD) | Vtec1 | - | 3.47 | V | |
TEC2 电流 (滤波器) | Itec2 | - | 0.7 | A | Tth=-5~+95℃ |
TEC2 电压 (滤波器) | Vtec2 | - | 1.9 | V | |
存储相对湿度 (无凝结) | RH | 0 | 85 | % | |
工作相对湿度 (无凝结) | RH | 5 | 85 | % | |
光纤弯曲半径 | - | 15 | - | mm |
参数(Tc=25oC,BOL,除非另有规定)
参数 | 符号 | Min. | 典型 | Max. | 单位 | 条件 |
光输出功率 | Pf | 13 | dBm | CW | ||
LD 工作温度 | TLD | 18 | - | 62 | oC | 额定功率, CW |
LD 正向电流 | IfLD | - | 250 | - | mA | CW, fixed |
LD 正向电压 | VfLD | - | - | 2.65 | V | 额定功率, CW |
SOA 正向电流 | IfSOA | - | - | 500 | mA | 额定功率, CW, BOL |
SOA 正向电压 | VfSOA | - | - | 2.65 | V | 额定功率, CW |
波长 | λp | 1528.773 | - | 1566.723 | nm | 额定功率, CW |
光谱线宽 | Δν | - | - | 500 | kHz | 额定功率, CW |
边模抑制比 | SMSR | 40 | - | - | dB | 额定功率, CW |
光隔离 | Iso | 25 | - | - | dB | |
相对强度噪声 | RIN | - | - | -135 | dB/Hz | 10MHz |
ITU 网格频率稳定性 (BOL) | Δfs | -3 | - | 3 | GHz | Im=const.,Tc=-5°C/75°C,相比之下Tc=35°C |
滤波器工作温度 | Tf | 30 | - | 62.5 | oC | |
滤波器温度系数 | ΔTf | - | 15 | - | pm/oC | |
自由光谱范围 | FSR | - | 50 | - | GHz | 请参阅注释 1 |
网格间距 | - | - | 50 | - | GHz | |
捕获范围(负侧) | -CR | 14.0 | - | 22.5 | GHz | 参见注释 1,符合古河测试条件 |
捕获范围(正侧) | +CR | 27.5 | - | 36.0 | GHz | 参见注释 1,符合古河测试条件 |
功率监视器电流 | Im | 8 | - | 1200 | μA | VrPD=5V, 额定功率, CW |
功率监视器暗电流 | Id | - | - | 100 | nA | VrPD=5V |
波长监视器电流 | Imλ | 2 | - | 1200 | μA | VrPD=5V, 额定功率, CW |
波长监视器暗电流 | Idλ | - | - | 100 | nA | VrPD=5V |
跟踪误差 | TE | -0.5 | - | 0.5 | dB | Im=const.,Tc=-5°C/75°C,相比之下Tc=35°C |
TEC1 电流 (LD) | Itec1 | - | - | 0.81 | A | Tc=75°C, 额定功率, CW |
TEC1 电压 (LD) | Vtec1 | - | - | 3.15 | V | Tc=75°C, 额定功率, CW |
TEC2 电流 (滤波器) | Itec2 | - | - | 0.5 | A | Tc=75°C, 额定功率, CW |
TEC2 电压 (滤波器) | Vtec2 | - | - | 1.8 | V | Tc=75°C, 额定功率, CW |
n总功耗 (PLD+PSOA+PTEC1+PTEC2) | Ptotal | - | - | 3.8 | W | Tc=75°C, 额定功率, CW |
热敏电阻 B 常数 | Bth | - | 3900 | - | K | |
热敏电阻电阻 | Rth | 9.5 | 10 | 10.5 | kΩ | TLD=25oC |
极化消光比 | Er | 20 | - | - | dB | 额定功率, CW |
BOL:寿命初期,OpRL:光回波损耗
波段
型号 | 频道 | λ (nm) | ITU 频率 (THz) |
FRL15TCWB-H6C-19610-D | 1 | 1528.773 | 196.100 |
2 | 1529.163 | 196.050 | |
~ | ~ | ~ | |
95 | 1566.314 | 191.400 | |
96 | 1566.723 | 191.350 |
波长值以真空为参考。波长 (λ) 和 ITU 频率 (f) 的关系为 λ [nm] = 299792458 / f [THz] /1000。FITEL 波长代码表示为 100 x f [THz] 四舍五入的 5 位整数。


序列号 | 引脚定义 | 序列号 | 引脚定义 |
1 | TEC2(Filter)(+) | 13 | LD4 Anode(+) |
2 | TEC2(Filter)(-) | 14 | LD5 Anode(+) |
3 | LD12 Anode(+) | 15 | LD6 Anode(+) |
4 | LD11 Anode(+) | 16 | Power Monitor PD Anode(-) |
5 | LD10 Anode(+) | 17 | Wavelength Monitor PD Anode(-) |
6 | LD9 Anode(+) | 18 | PD Cathode(+) |
7 | SOA Anode(+) | 19 | Thermistor(LD) |
8 | LD8 Anode(+) | 20 | Thermistor(Filter) |
9 | LD7 Anode(+) | 21 | Thermistor Common |
10 | LD1 Anode(+) | 22 | LD, SOA, Cathode Common(-) |
11 | LD2 Anode(+) | 23 | TEC1(LD)(-) |
12 | LD3 Anode(+) | 24 | TEC1(LD)(+) |
光纤尾纤规格
参数 | Min. | 典型 | Max. | 单位 | 条件 |
光纤 | 保偏光纤 | ||||
截止波长 | - | 1400 | - | nm | |
模场直径 | - | 10 | - | µm | λ=1.55μm |
包层直径 | 122 | 125 | 128 | µm | |
光纤直径 | - | 0.4 | - | mm | UV coating |
尾纤长度 | 1 | - | - | m | 外壳边缘至连接端 |
光纤连接器 | FC/SPC | ||||
偏振轴 | 慢轴 | ||||


附带数据
数据应在 Pf=13dBm 下测量
参数 | 条件 |
型号 | |
序列号 | |
通道号 | |
引脚号 | |
波长 | Tc=25°C, Pf=额定功率 |
测量的 LD 工作温度 | Tc=25°C, Pf=额定功率 |
测量的滤波器工作温度 | Tc=25°C, Pf=额定功率 |
SOA 正向电流 | Tc=25°C, Pf=额定功率 |
功率监测器电流 | Tc=25°C, Pf=额定功率 |
波长监测器电流 | Tc=25°C, Pf=额定功率 |
符合 RoHS 标准
本产品符合 RoHS 要求(指令 2011/65/EU,请参阅下表中的重点内容)。
请注意,当前设计通过使用一些铅含量豁免来满足 RoHS 指令,因此请咨询技术联系人了解详细信息。
材料 | 浓度 |
镉 (Cd) | <100ppm |
六价铬 (Cr VI) | <1000ppm |
汞 (Hg) | <1000ppm |
多溴联苯 (PBB) | <1000ppm |
多溴二苯醚 (PBDE) | <1000ppm |
铅 (Pb) | <1000ppm |
警告
(1)光纤端发射出的激光是人眼无法看见的,会对人眼造成伤害。设备运行时,请避免直视光纤。
(2)设备易受静电和浪涌电流损坏。操作前需采取静电防护和浪涌防护措施。
安全信息
安全符合 21 CFR1040.10
本产品符合 21 CFR1040.10,3b 类激光产品。光纤或连接器末端会发出不可见的激光辐射。避免直接暴露在光束下。


低驱动电流,
高斜率效率,
高边模抑制比,
根据ITU-T网格选择波长
50 GHz间距
RoHS符合要求的包装
STM-16 DWDM传输系统
OC-48
技术参数: (TLD=Tset, Tc=25°C, )
参数 | 符号 | Min. | 典型 | Max. | 单位 | 条件 |
光输出功率 |
Pf |
mW |
CW | |||
FRL15DDB5 | 5 | - | - | |||
FRL15DDBA | 10 | - | - | |||
LD 正向电流 |
If |
mA |
Rated power, CW,BOL*1 | |||
FRL15DDB5 | - | - | 60 | |||
FRL15DDBA | - | - | 100 | |||
安装温度 | Tset | 20 | - | 35 | °C | |
LD 正向电压 | Vf | - | - | 1.8 | V | Rated power, CW |
阈值电流 | Ith | - | 10 | 20 | mA | BOL |
斜率效率 | η | 0.10 | 0.20 | 0.35 | W/A | Rated power, CW |
输入阻抗 | Zin | - | 25 | - | Ω | |
波长 | λ | λITU-0.1 | λITU | λITU+0.1 | nm | l=1527.22~1610.06,See Table.1 |
光谱线宽 (-20dB全宽) | Δλ | - | - | 0.4 | nm | |
边模抑制比 | SMSR | 35 | 45 | - | dB | |
色散损失 |
DP |
- |
- |
2 |
dB | 1800ps/nm(100km) |
截止频率 | fc | 2 | - | - | GHz | |
上升/下降时间 (10-90%) | tr, tf | - | - | 150 | ps | |
光隔离度 | Iso | 25 | - | - | dB | |
相对强度噪声 |
RIN |
- |
- |
-145 |
dB/Hz | 100MHz |
监测电流 |
Im |
mA |
| |||
FRL15DDB5 | 0.02 | - | 1 | |||
FRL15DDBA | 0.04 | - | 1 | |||
监测暗电流 | Id | - | - | 100 | nA | VrPD=5V |
跟踪误差 | TE | -0.5 | - | 0.5 | dB | Im=constant, Tc = -5 to 70°C |
TEC 电流 | Itec | - | - | 1.2 | A | Tc=70°C, |
TEC 电压 | Vtec | - | - | 2.4 | V | Tc=70°C, |
热敏电阻B常数 | B | - | 3900 | - | K | |
热敏电阻 | R | 9.5 | - | 10.5 | kΩ | Tset=25°C |
1 BOL : 寿命初期
*2
jue对Max. 额定参数
参数 | 符号 | Min. | Max. | 单位 | 条件 |
存储温度 | Tstg | -40 | 85 | °C | - |
工作机身温度 | Tc | -5 | 70 | °C | - |
LD 反向电压 | VrLD | - | 2 | V | - |
LD 正向电流 | IfLD | - | 130 | mA | - |
PD 反向电压 | VrPD | - | 20 | V | - |
PD 正向电流 | IfPD | - | 5 | mA | - |
TEC 电流 | Itec | - | 1.6 | A | - |
TEC 电压 | Vtec | - | 2.6 | V | - |
光纤尾纤技术规格
参数 | 指标 | 单位 |
光纤类型 | 康宁 SMF-28 | - |
正常光纤长度 | 1米 | mm |
连接器类型 | SC/SPC或FC/APC 可选 | - |
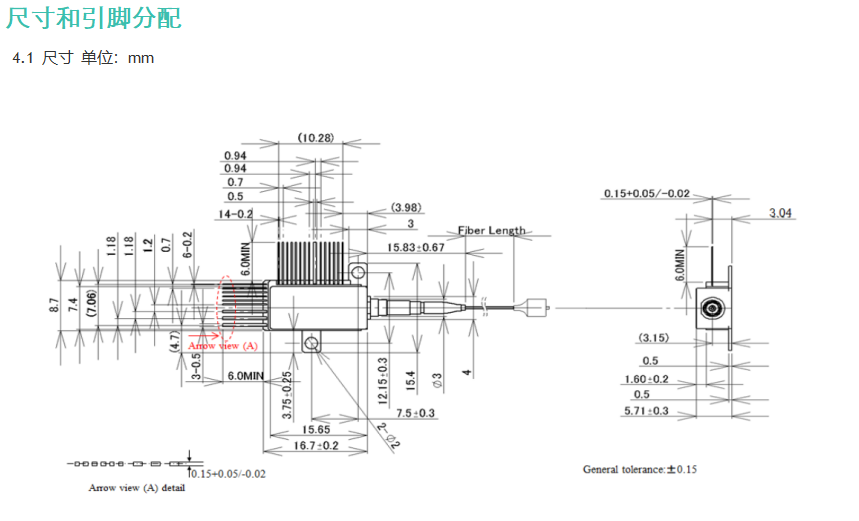
尺寸和引脚


PIN No. | Object | PIN No. | Function |
1 | Thermistor | 8 | Case Ground |
2 | Thermistor | 9 | Case Ground |
3 | LD Cathode(-) | 10 | No Connect |
4 | Monitor Anode(-) | 11 | Laser Anode(+), Case Ground |
5 | Monitor Cathode(+) | 12 | Laser RF |
6 | TEC(+) | 13 | Laser Anode(+), Case Ground |
7 | TEC(-) | 14 | No Connect |
波长型号对照表Table 1
波长值以真空为参考。
波长(λ) 和ITU频率(f)具有如下关系:λ[nm]=299792458/f[THz]/1000。
FITEL代码表示为从100 x f[THz]四舍五入的5位整数。
λ [nm] | ITU Freq.[THz] |
λ Code |
1527.22 | 196.30 | 19630 |
1547.32 | 193.75 | 19375 |
1567.95 | 191.20 | 19120 |
1589.15 | 188.65 | 18865 |
1527.61 | 196.25 | 19625 |
1547.72 | 193.70 | 19370 |
1568.36 | 191.15 | 19115 |
1589.57 | 188.60 | 18860 |
1527.99 | 196.20 | 19620 |
1548.12 | 193.65 | 19365 |
1568.77 | 191.10 | 19110 |
1589.99 | 188.55 | 18855 |
1528.38 | 196.15 | 19615 |
1548.52 | 193.60 | 19360 |
1569.18 | 191.05 | 19105 |
1590.41 | 188.50 | 18850 |
1528.77 | 196.10 | 19610 |
1548.92 | 193.55 | 19355 |
1569.59 | 191.00 | 19100 |
1590.83 | 188.45 | 18845 |
1529.16 | 196.05 | 19605 |
1549.32 | 193.50 | 19350 |
1570.01 | 190.95 | 19095 |
1591.26 | 188.40 | 18840 |
1529.55 | 196.00 | 19600 |
1549.72 | 193.45 | 19345 |
1570.42 | 190.90 | 19090 |
1591.68 | 188.35 | 18835 |
1529.94 | 195.95 | 19595 |
1550.12 | 193.40 | 19340 |
1570.83 | 190.85 | 19085 |
1592.10 | 188.30 | 18830 |
1530.33 | 195.90 | 19590 |
1550.52 | 193.35 | 19335 |
1571.24 | 190.80 | 19080 |
1592.52 | 188.25 | 18825 |
1530.73 | 195.85 | 19585 |
1550.92 | 193.30 | 19330 |
1571.65 | 190.75 | 19075 |
1592.95 | 188.20 | 18820 |
1531.12 | 195.80 | 19580 |
1551.32 | 193.25 | 19325 |
1572.06 | 190.70 | 19070 |
1593.37 | 188.15 | 18815 |
1531.51 | 195.75 | 19575 |
1551.72 | 193.20 | 19320 |
1572.48 | 190.65 | 19065 |
1593.79 | 188.10 | 18810 |
1531.90 | 195.70 | 19570 |
1552.12 | 193.15 | 19315 |
1572.89 | 190.60 | 19060 |
1594.22 | 188.05 | 18805 |
1532.29 | 195.65 | 19565 |
1552.52 | 193.10 | 19310 |
1573.30 | 190.55 | 19055 |
1594.64 | 188.00 | 18800 |
1532.68 | 195.60 | 19560 |
1552.93 | 193.05 | 19305 |
1573.71 | 190.50 | 19050 |
1595.07 | 187.95 | 18795 |
1533.07 | 195.55 | 19555 |
1553.33 | 193.00 | 19300 |
1574.13 | 190.45 | 19045 |
1595.49 | 187.90 | 18790 |
1533.47 | 195.50 | 19550 |
1553.73 | 192.95 | 19295 |
1574.54 | 190.40 | 19040 |
1595.91 | 187.85 | 18785 |
1533.86 | 195.45 | 19545 |
1554.13 | 192.90 | 19290 |
1574.95 | 190.35 | 19035 |
1596.34 | 187.80 | 18780 |
1534.25 | 195.40 | 19540 |
1554.54 | 192.85 | 19285 |
1575.37 | 190.30 | 19030 |
1596.76 | 187.75 | 18775 |
1534.64 | 195.35 | 19535 |
1554.94 | 192.80 | 19280 |
1575.78 | 190.25 | 19025 |
1597.19 | 187.70 | 18770 |
1535.04 | 195.30 | 19530 |
1555.34 | 192.75 | 19275 |
1576.20 | 190.20 | 19020 |
1597.62 | 187.65 | 18765 |
1535.43 | 195.25 | 19525 |
1555.75 | 192.70 | 19270 |
1576.61 | 190.15 | 19015 |
1598.04 | 187.60 | 18760 |
1535.82 | 195.20 | 19520 |
1556.15 | 192.65 | 19265 |
1577.03 | 190.10 | 19010 |
1598.47 | 187.55 | 18755 |
1536.22 | 195.15 | 19515 |
1556.56 | 192.60 | 19260 |
1577.44 | 190.05 | 19005 |
1598.89 | 187.50 | 18750 |
1536.61 | 195.10 | 19510 |
1556.96 | 192.55 | 19255 |
1577.86 | 190.00 | 19000 |
1599.32 | 187.45 | 18745 |
1537.00 | 195.05 | 19505 |
1557.36 | 192.50 | 19250 |
1578.27 | 189.95 | 18995 |
1599.75 | 187.40 | 18740 |
1537.40 | 195.00 | 19500 |
1557.77 | 192.45 | 19245 |
1578.69 | 189.90 | 18990 |
1600.17 | 187.35 | 18735 |
1537.79 | 194.95 | 19495 |
1558.17 | 192.40 | 19240 |
1579.10 | 189.85 | 18985 |
1600.60 | 187.30 | 18730 |
1538.19 | 194.90 | 19490 |
1558.58 | 192.35 | 19235 |
1579.52 | 189.80 | 18980 |
1601.03 | 187.25 | 18725 |
1538.58 | 194.85 | 19485 |
1558.98 | 192.30 | 19230 |
1579.93 | 189.75 | 18975 |
1601.46 | 187.20 | 18720 |
1538.98 | 194.80 | 19480 |
1559.39 | 192.25 | 19225 |
1580.35 | 189.70 | 18970 |
1601.88 | 187.15 | 18715 |
1539.37 | 194.75 | 19475 |
1559.79 | 192.20 | 19220 |
1580.77 | 189.65 | 18965 |
1602.31 | 187.10 | 18710 |
1539.77 | 194.70 | 19470 |
1560.20 | 192.15 | 19215 |
1581.18 | 189.60 | 18960 |
1602.74 | 187.05 | 18705 |
1540.16 | 194.65 | 19465 |
1560.61 | 192.10 | 19210 |
1581.60 | 189.55 | 18955 |
1603.17 | 187.00 | 18700 |
1540.56 | 194.60 | 19460 |
1561.01 | 192.05 | 19205 |
1582.02 | 189.50 | 18950 |
1603.60 | 186.95 | 18695 |
1540.95 | 194.55 | 19455 |
1561.42 | 192.00 | 19200 |
1582.44 | 189.45 | 18945 |
1604.03 | 186.90 | 18690 |
1541.35 | 194.50 | 19450 |
1561.83 | 191.95 | 19195 |
1582.85 | 189.40 | 18940 |
1604.46 | 186.85 | 18685 |
1541.75 | 194.45 | 19445 |
1562.23 | 191.90 | 19190 |
1583.27 | 189.35 | 18935 |
1604.89 | 186.80 | 18680 |
1542.14 | 194.40 | 19440 |
1562.64 | 191.85 | 19185 |
1583.69 | 189.30 | 18930 |
1605.31 | 186.75 | 18675 |
1542.54 | 194.35 | 19435 |
1563.05 | 191.80 | 19180 |
1584.11 | 189.25 | 18925 |
1605.74 | 186.70 | 18670 |
1542.94 | 194.30 | 19430 |
1563.46 | 191.75 | 19175 |
1584.53 | 189.20 | 18920 |
1606.17 | 186.65 | 18665 |
1543.33 | 194.25 | 19425 |
1563.86 | 191.70 | 19170 |
1584.95 | 189.15 | 18915 |
1606.61 | 186.60 | 18660 |
1543.73 | 194.20 | 19420 |
1564.27 | 191.65 | 19165 |
1585.37 | 189.10 | 18910 |
1607.04 | 186.55 | 18655 |
1544.13 | 194.15 | 19415 |
1564.68 | 191.60 | 19160 |
1585.78 | 189.05 | 18905 |
1607.47 | 186.50 | 18650 |
1544.53 | 194.10 | 19410 |
1565.09 | 191.55 | 19155 |
1586.20 | 189.00 | 18900 |
1607.90 | 186.45 | 18645 |
1544.92 | 194.05 | 19405 |
1565.50 | 191.50 | 19150 |
1586.62 | 188.95 | 18895 |
1608.33 | 186.40 | 18640 |
1545.32 | 194.00 | 19400 |
1565.91 | 191.45 | 19145 |
1587.04 | 188.90 | 18890 |
1608.76 | 186.35 | 18635 |
1545.72 | 193.95 | 19395 |
1566.31 | 191.40 | 19140 |
1587.46 | 188.85 | 18885 |
1609.19 | 186.30 | 18630 |
1546.12 | 193.90 | 19390 |
1566.72 | 191.35 | 19135 |
1587.88 | 188.80 | 18880 |
1609.62 | 186.25 | 18625 |
1546.52 | 193.85 | 19385 |
1567.13 | 191.30 | 19130 |
1588.30 | 188.75 | 18875 |
1610.06 | 186.20 | 18620 |
1546.92 | 193.80 | 19380 |
1567.54 | 191.25 | 19125 |
1588.73 | 188.70 | 18870 |
订购信息:

| 名称 | 型号货号 | 描述 | 参数 | 价格 |
|---|
