Philips借经过优化的光学特性,850 nm 单模 VCSEL 成为高要求传感系统应用的理想选择。创新型芯片设计已对高阶纵向与横向模式加以抑制,同时具有线性偏振稳定性。
产品特点:
高输出功率
理想圆高斯光束
稳定极化
单模
产品应用:
CPT原子钟
光学相干实验
光学传感
光电参数:
T=20°C,除非另有说明
参数 | 符号 | 单位 | Min. 值 | 典型值 | Max. 值 | 备注 |
入射波长 | λR | nm | 830 | 850 | 870 | Popt. = 2 mW |
阈值电流 | ITH | mA | 2 | |||
激光电流 | IOP | mA | 6 | Popt. = 2 mW | ||
激光电压 | UOP | V | 2.6 | Popt. = 2 mW | ||
斜率效率 | ηS | W/A | 0.5 | 1 | ||
输出功率 | Popt | mW | 2 | 2.5 | IOP = 6 mA | |
差分串联电阻 | RS | Ω | 50 | 200 | Popt. = 2 mW | |
光束发散角 | Θ | ° | 10 | 20 | Popt. = 2 mW, full width 1/e² | |
边模抑制比 | SMSR | dB | 10 | Popt. = 2 mW | ||
ESD损伤阈值 | V | 2000* | 人体模型 | |||
波长温度调谐系数 | nm/K | 0.06 |
*用于集成z二极管的TO封装
jue对Max. 值
参数 | 指标 |
储存温度 | -40 to 125°C |
运行温度 | -40 to 85°C |
电力消耗 | 20 mW |
连续正向激光电流 | 8 mA |
连续反向电流 | 10 mA |
焊接温度 | 330°C |
光谱特性


功率曲线

TO46封装不带TEC

TO46封装带TEC


● 内部TEC和热敏电阻
● 2 nm TEC的可调性
● 高斯型光束轮廓
● jue对对称的高斯型光束轮廓显著简化应用光学设计。
● 小光束发散角
● 发散角的范围为 20° (1/e2),可重复再现,方便激光光束传导。
● 光谱宽度窄
● 凭借光谱宽度通常为 100 MHz 的激光线,此类激光器专为光谱应用而设计。
● 低功率消耗
● 由于功率消耗仅为数毫瓦,移动应用中可采用电池运行。
● TO46&TEC
● 特定工作条件:激光电流IOP = 2 mA 目标波长 λt = 850 nm @ TOP (由TEC调节)
● CPT原子钟
● 光学相干实验
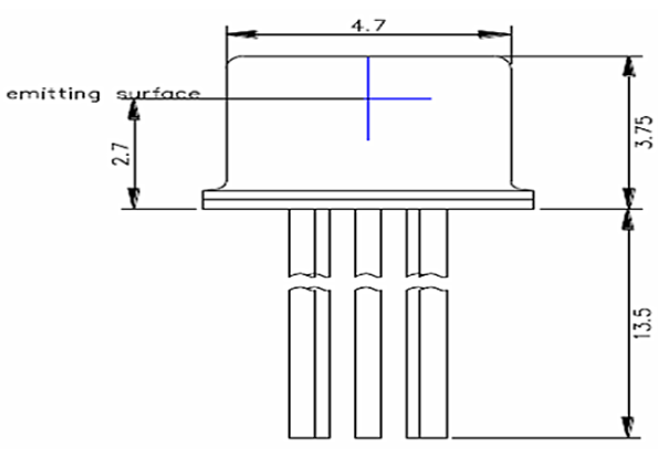
产品尺寸


带TEC管脚配置

不带TEC管脚定义

单位(mm)
| 名称 | 型号货号 | 描述 | 参数 | 价格 |
|---|
