2020-03-16 19:53:56

自从1960年世界上第一台激光器问世至今,激光器已经渗透到生产、科研、医疗和生活等各个领域。在各类应用中,激光器的参数直接决定了使用者对激光光源的选择。编者在这里整理了常规激光器的一些参数定义并做简单说明,供大家参考,希望能帮助大家在最短的时间找到适合自己的激光产品。
一、输出功率
与电能一样,激光器发出的光也是一种能源,只是它以光能的形成出现。所以激光器的输出功率与发电厂发电机的输出功率一样,是一个度量单位时间内输出激光能量的物理量,度量单位常用毫瓦(mW)、瓦(W)、千瓦(kW)等。
二、功率稳定性
功率稳定性表征的是激光输出功率在一定时间内的不稳定度,一般分为RMS稳定性和峰峰值稳定性。

RMS稳定性:测试时间内所有采样功率值的均方根与功率平均值的比值,描述输出功率偏离功率平均值的分散程度。在CNI laser的网站上,激光器功率稳定性是4小时内的RMS稳定性。
峰峰值稳定性:输出功率的最大值和最小值之差与功率平均值的百分比,表征的是一定时间内的输出功率的变化范围。

图1 CNI激光器功率稳定性测试图
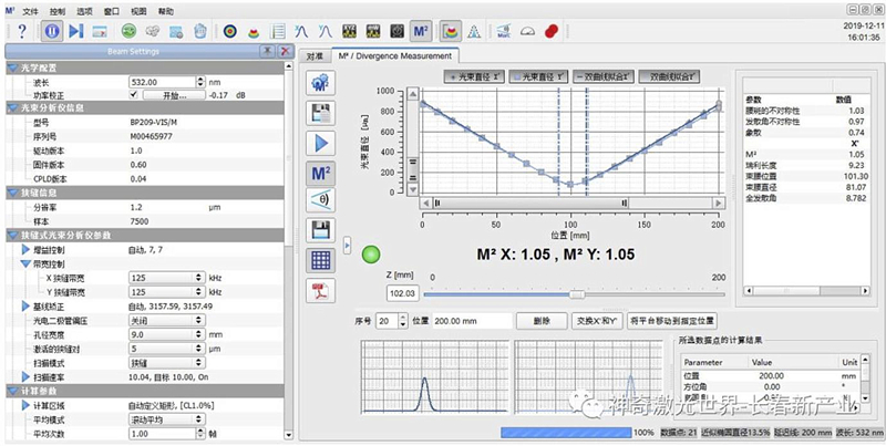
三、光束质量因子(M2因子)

图2 CNI激光器M2因子测试图
光束质量因子定义是激光束腰半径和光束远场发散角的乘积与理想基模光束束腰半径和基模发散角乘积的比值,即。


光束质量会影响到激光的聚焦效果以及远场的光斑分布情况,是用来表征激光光束质量的参数,实际激光光束质量因子越接近1,说明光束质量越接近理想光束,它的光束质量就越好。CNI laser 半导体泵浦固体激光器光束质量因子可做到优于1.1。
四、光斑(横模)
垂直于激光传播方向上某一横截面上的稳定场分布称为横模,激光器的光斑表征的就是横模分布,通过CCD阵列将横模分布模拟出来,得到激光器的一些光束特征,如图所示就是一个TEM00高斯光束的光斑情况。

图3 CNI激光器光斑测试图(TEM00)

除了基横模(TEM00)外,还有其它一些模式,如下图:

TEM10模指的是在x方向的截面上有一点光强为0
TEM11模指的就是在x和y方向截面均有一点光强为0
五、光斑直径
对于光斑直径的测量,一般有套孔法、刀口法、激光轮廓分析仪(CCD)测量等。
套孔法:由于实验上很难做到孔与光束同心,因而精确度难保证。
激光轮廓分析仪(CCD)测试:可保证测量结果的精确度,软件界面中光斑直径可提供四种计量方法的测试结果(见图3),其中最广泛使用的是以峰值的13.5%(1/e2)为边界的定义方法,这种测试方法虽然精度高,但对于高功率的激光器,CCD存在饱和现象,如用衰减器,可能会引起光束畸变。
刀口法:是测量高功率激光器光斑直径较理想的方法。取待测激光透过刀口边缘光功率占总功率10%的刀口位置坐标x1,取待测激光透过刀口边缘光功率占总功率90%的刀口位置坐标x2,光斑直径=1.561×|x1-x2|(其中1.561是拟合值)。

图4 刀口法测量光斑直径

用直尺或人眼测量可见光的光斑直径时,为什么得到的激光光斑直径要比使用专业的光斑轮廓分析仪测得的光斑直径要大?
——这是因为激光能量强且集中,作用到物体上会有一定发散,而使用光斑轮廓分析仪测量,常用峰值强度的(13.5%)点处的光斑直径作为测量结果,所以得到的测量结果会相对小。
六、激光调制
激光调制就是利用光作为载体,把信号加载到光上,按照应用要求,实现信号的传递。一般调制分为外调制和内调制,外调制是指激光器外部进行的机械调制或者声光调制;内调制指的是电源驱动调制,内调制又分为TTL调制和模拟调制,如图所示,黄色CH1为输入的电波形,蓝色CH2为调制后的光波形。

CNI激光器调制波形图

TTL调制:通过外给激光器输入一定频率的高低电平(0V或是5V)直流信号时,低电平闭光,高电平时满功率输出,高电平幅值不可调。
模拟调制:可以自由的调整输入信号的波形与幅值大小,激光输出功率随输入模拟电压信号线性改变。
