1381nmDFB激光二极管模块是一款具有高性价比的高相干激光光源。
该 DFB 激光芯片封装在行业标准的密封式 14 针蝴蝶封装中,内部集成有 TEC(热电制冷器)和 PD(光探测器)。
产品特点
窄线宽:< 2 MHz
行业标准 14 针蝴蝶封装
出色的波长控制及稳定性
无跳模调谐
高可靠性
可提供客户定制波长
产品应用
可调谐二极管激光吸收光谱
尺寸图

技术参数
电气/光学特性(Tsub=25°C,CW 偏置,除非另有说明)
参数 | 符号 | Min. 值 | 典型值 | Max. 值 | 单位 |
中心波长 | λ | 1380.5 | 1381.0 | 1381.5 | nm |
边模抑制比 | SMSR | 30 | 40 | dB | |
阈值电流 | lth | 20 | 30 | mA | |
工作电流 | lop | 200 | 300 | mA | |
芯片输出功率 | Pf | 50 | 80 | mW | |
量子效率 | η | 0.08 | 0.12 | mW/mA | |
电流调谐系数 | ∆λ/∆l | 0.015 | nm/mA | ||
温度调谐系数 | ∆λ/∆T | 0.12 | nm/K | ||
正向电压 | Vf | 1.3 | 2 | V | |
热敏电阻阻值 | RT | 9.5 | 10 | 10.5 | KΩ |
热敏电阻温度系数 | -4.4 | %/℃ | |||
接头 | FC/APC |
光谱图
L-I 曲线图

DFB 激光器线宽测试结果

偏振消光比测试(PM版)

光束质量

2D

3D
图像分析

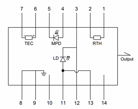
引脚定义

PlN# | 定义 | PlN# | 定义 |
1 | Thermistor | 8 | Case Ground |
2 | Thermistor | 9 | Case Ground |
3 | LD(-) | 10 | NC |
4 | Detector (+) | 11 | LD(+) |
5 | Detector (-) | 12 | LD (-), RF |
6 | TEC (+) | 13 | LD(+) |
7 | TEC (-) | 14 | NC |
jue对Max. 额定值:
参数 | 单位 | Min. 值 | 典型值 | Max. 值 |
外壳温度 | ℃ | -5 | 25 | 70 |
芯片温度 | ℃ | 10 | 25 | 40 |
工作电流 | mA | 0 | 200 | 300 |
正向电压 | V | 0.8 | 1.2 | 1.8 |
TEC电流 | A | - | - | 1.2 |
反向电压(LD) | V | - | - | 2 |
反向电压(PD) | V | - | - | 20 |
订购信息
PL-DFB-□□□□-☆-A8▽-XX
□□□□: Wavelength
1341:1341nm
1381:1381nm
1392:1392nm
1512:1512nm
1567:1567nm
*****
1653.7: 1653.7nm
☆ : Output Power
A: 50mW
B: 80mW
▽: Wavelength Tolerance
1: ±1nm
2: ±2nm
XX: Fiber and Connector Type
SA=SMF-28E+ FC/APC
SP=SMF-28E+ FC/PC
PP=PM Fiber+ FC/PC
PA=PM Fiber+ FC/APC
| 名称 | 型号货号 | 描述 | 价格 |
|---|
