ARTCAM-640P2-THERMO是一种热红外相机,采用微测辐射热计,工作波长在8~14μm之间。这款相机的分辨率是640x480像素。采用USB2.0接口,可以直接将数据传输到PC上,而无需采集板或主机适配器卡。包括专门设计的查看软件ART-THERMO,更容易获取热量图像。
参数 | 指标 |
传感器类型 | 非制冷微测辐射热计 |
探测波长 | 8~14µm |
接口 | USB2.0, NTSC (Option) |
分辨率 | 640(H) X 480(V) |
像素间距 | 17μm |
输出位数 | 14bit |
帧频 | 30fps |
可操作性 | > 99.5 % |
电子快门 | 150µs |
温度测量范围 | 0℃~120℃ |
温度分辨率 | < 75mK |
热时间常数 | 12msec typ. |
同步方法 | 内部同步 |
镜头安装 | M25 X P0.5 |
兼容镜头和 FOV | 焦距 : 8.5mm FOV : 73.0° (H) X 54.0° (V) 焦距 : 19mm FOV : 32.0° (H) X 24.0° (V) * 镜头是可选的。当您购买时,请选择镜头. |
供电 | 5.0V (±0.5V) USB BUS Power |
功耗 | < 大约. 2.5 W (环境温度 25℃) |
启动时间 | ≤5s |
工作温度 / 湿度 | 0 ~ 35℃ / 10 ~ 80% (非水蒸气冷凝状态) |
推荐的测量温度 | TBD |
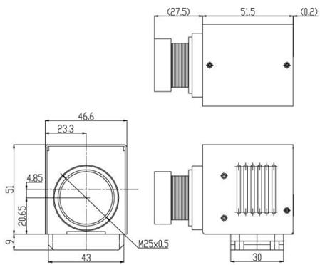
尺寸 | 46.6(W) X 51(H) X 51.5(D)mm ※镜头和三脚架安装不包括在内 |
重量 | 大约.140g ※镜头和三脚架安装不包括在内 |
产品包括:
1,相机
2,3m USB2.0电缆
3,查看软件(包括温度校准数据)
4,(可选)镜头(焦距:8.5mm/19mm)
尺寸轮廓图



产品特点:
FIR(远红外)敏感
采用非冷却微测辐射热计作为红外探测器,对标准FIR波长(8~14μm)敏感。
高分辨率
可以输出分辨率高达640x480或(384 X 288) 像素的图像。从红外探测器获得的数据(14位)可以在不压缩的情况下传输到PC上。
USB2.0接口
采用USB2.0接口,可以直接将数据传输到PC上,而无需采集板或主机适配器卡。
查看软件ART-THERMO,更容易获取热量图像
查看软件ART-THERMO,它是专为热红外相机设计的,并与Windows7/8/10兼容,作为标准附加。包括预览,各种设置,静止/移动图像保存,图形创建和报警等功能。
产品应用:
人工智能
远红外探测
使用连接图
如何连接一个照相机

热成像

| 名称 | 型号货号 | 描述 | 参数 | 价格 |
|---|
