close[X]
您的购物车
型号 数量 货期
查看购物车 结算

C波段SOA 非线性半导体光放大器 1550nm 14dBm (25mw)


工作波长:C波段1528 nm-1562nm 中心波长:1550nm 输出功率:14dBm 输出光纤:SMF28e 接口类型:FC/APC

✱因产品升级或技术原因,产品配图可能有出入,具体请咨询客服!

货号 : B80030103    
库存 : 请咨询客服
货期 : 请咨询客服
点右侧在线咨询
 
 华北西南东北 Sherry
16628709332 同微信 可扫码
 info@microphotons.com
 西北华中华东华南 Daisy
18602170419 同微信 可扫码
 info@microphotons.com

产品总览

PL-SOA-A-A81-W1550-SASA是一种偏振不敏感光学放大器,具有先进的外延晶片生长和光电封装技术,可在宽光谱带宽上实现高输出饱和功率、低噪声系数和大增益。

型号参数

特征

宽带光

高输出功率

低偏振灵敏度

多量子阱或体结构


应用

助推光光放大器

电信与数据通信

损失补偿



电/光学特性(Tsub=25°C,CW,)

参数

符号

PL-SOA-A-A81-W1550-SASA

Min.

典型

Max.

工作电流

IOP

-

450 mA

500 mA

工作波长范围


1528 nm

-

1562 nm

中心波长

λC

-

1550

-

饱和输出功率 (@ -3 dB)

PSAT

12 dBm

14 dBm

-

小信号增益 (Over C-Band @ Pin = -20 dBm)

G

10 dB

13 dB

-

增益平坦度 (Over C-Band @ Pin = -20 dBm)

ΔG

-

5 dB

7 dB

增益波纹(p-p) @ IOP, λC

δG

-

0.1 dB

0.5 dB

偏振相关增益

PDG

-

1.0 dB

1.8 dB

噪声系数

NF

-

8 dB

9.5 dB

正向电压

VF

-

1.6 V

 1.8 V

芯片长度

-

-

1.5 mm

-

波导折射率

-

-

 3.2

-

TEC 操作 (典型/Max. @ TCASE = 25/70 °C)

TEC 电流

ITEC

-

0.23 A

1.5 A

TEC 电压

VTEC

-

0.5 V

4.0 V

热敏电阻

RTH

-

10 kΩ

-

 

典型特征曲线

ASE 光谱图




SOA放大器光谱图(引脚=0dBm,I=450mA)



增益和NF曲线



饱和输出功率曲线




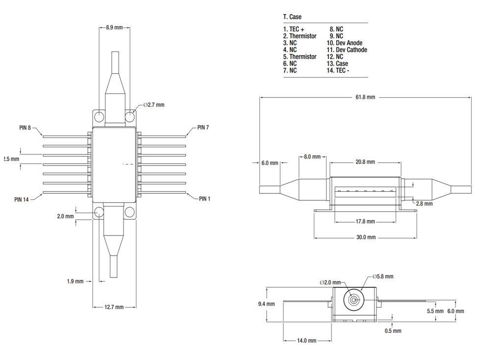
尺寸信息和引脚定义


通用参数

产品特点:

宽带光

高输出功率

低偏振灵敏度

多量子阱或体结构


产品应用:

助推光光放大器

 电信与数据通信

损失补偿


型号指南:

PL-SOA-☆-A8▽-W□□□□-XX

☆ :Output Power

A: 13dbm

B: 20dbm

▽: Bandwidth

1: 60-70nm

2: 30-40nm

□□□□:Wavelength

680: 680nm

850: 850nm

*****

1550: 1550nm

1650: 1650nm

XX: Fiber and Connector Type

SASA=(SMF-28E+ FC/APC)+(SMF-28E+ FC/APC)

SPSP=(SMF-28E+ FC/PC)+(SMF-28E+ FC/PC)

PAPA=(PM Fiber+ FC/APC)+(PM Fiber+ FC/APC)

PPPP=(PM Fiber+ FC/PC)+(PM Fiber+ FC/PC)

PAPA=(PM Fiber+ FC/APC)+(PM Fiber+ FC/APC)


其它型号
  名称 型号货号         价格
SOA非线性半导体光放大器(作为纳秒级超快光开关使用)1550nm 14dBm (25mw) B80030105
库存/货期:请咨询客服
联系客服或  
 提交询价单  
O波段 SOA非线性半导体光放大器 1310nm 7dBm(5mW) B80030101
库存/货期:请咨询客服
联系客服或  
 提交询价单  
L波段 SOA非线性半导体光放大器 1610nm 13dBm B80030109
库存/货期:请咨询客服
联系客服或  
 提交询价单  

相关产品
相关阅读





使用本网站,即表示您同意我们使用cookie.它可以帮助更好地提供会员服务以及短时间内记录您的浏览记录
已知晓 了解详情
提示