响应波长范围 2-12μm;最佳波长 8μm;相对响应强度≥6×10^7cm×Hz^(1/2)/w@8μm;光敏面大小 1mm×1mm;
✱因产品升级或技术原因,产品配图可能有出入,具体请咨询客服!
| 货号 : E80040142 | |
| 库存 : 请咨询客服 | |
| 货期 : 请咨询客服 | |
| 点右侧在线咨询 | |
PVMI系列(PVMI-8/PVMI-10.6)是基于复杂的HgCdTe异质结构的非冷却红外多结光伏探测器,采用光学浸没的方式改善器件的参数,以达到优秀的性能和稳定性。探测器在λopt入射时性能佳。这是一款te别适用于在2 ~ 12 μm光谱范围内工作的大感光面探测器。
产品特点
● 可探测中红外波长范围2-12μm
● 可配专用前置放大器
● 2mm×2mm大尺寸光敏面
● 带有超半球微型砷化镓透镜实现光学浸没,有效提升探测效率
产品应用
● 医学热成像
● 红外光谱分析
● 中红外气体吸收检测
● 中红外激光探测
技术参数
参数 | 探测器型号 | |
PVMI-8 | PVMI-10.6 | |
有源元件材料 | 外延MCT异质结构 | |
z佳波长λopt(μm) | 8 | 10.6 |
相对响应强度D* (λpeak),cm·Hz1/2/W | ≥6×108 | ≥2×108 |
相对响应强度D* (λopt),cm·Hz1/2/W | ≥3×108 | ≥1×108 |
电流响应度-光敏面长度乘积Ri(λopt)·L,A·mm/W | ≥0.04 | ≥0.01 |
时间常数T,ns | ≤4 | ≤1.5 |
电阻R,Ω | 50-300 | 20-150 |
感光面尺寸A,mm×mm | 1×1 | 1×1,2×2 |
封装 | TO39,BNC | |
接收角ϕ | ~36° | |
窗口 | 无 | |
探测器光谱响应特性曲线

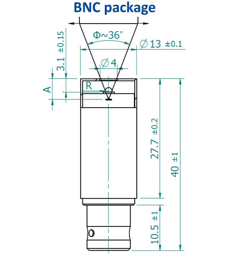
BNC型封装及尺寸


参量 | 数值 | |
浸没微型透镜形状 | 超半球形 | |
光学区域面积AO;mm×mm | 1×1 | 2×2 |
R,mm | 0.8 | 1.25 |
A,mm | 5.5±0.30 | 6.85±0.30 |
备注:
ϕ—接收角度;
R—超半球微型透镜半径
A—BNC型封装顶部与焦平面的距离
TO39型封装及尺寸


参量 | 数值 | |
浸没微型透镜形状 | 超半球形 | |
光学区域面积AO;mm×mm | 1×1 | 2×2 |
R,mm | 0.8 | 1.25 |
A,mm | 2.4±0.20 | 3.75±0.20 |
备注:
ϕ—接收角度;
R—超半球微型透镜半径
A—TO39型封装顶部与焦平面的距离
TO39-引脚定义
引脚定义 | |
功能 | 引脚号 |
探测器 | 1(-),2(+) |
接地 | 3 |
| 名称 | 型号货号 | 描述 | 参数 | 价格 |
|---|
